碳钢经退火、正火可得到平衡或接近平衡组织,经淬火得到的是非平衡组织。因此,研究热处理后的组织时,不仅要参考铁碳相图,而且更主要的是参考钢的等温转变曲线(C曲线)。
铁碳相图能说明慢冷时合金的结晶过程和室温下的组织以及相的相对量,C曲线则能说明一定成分的钢在不同冷却条件下所得到的组织。C曲线适用于等温冷却条件;而CCT曲线(奥氏体连续冷却曲线)适用于连续冷却条件。在一定的程度上可用C曲线,也能够估计连续冷却时的组织变化。
1、共析钢等温冷却时的显微组织
共析钢过冷奥氏体在不同温度等温转变的组织及性能列于表1中。

2、共析钢连续冷却时的显微组织
为了简便起见,不用CCT曲线,而用C曲线(图1)来分析。例如共析钢奥氏体,在慢冷时(相当于炉冷,见图1中的V1)应得到100%的珠光体;当冷却速度增大到V2时(相当于空冷),得到的是较细的珠光体,即索氏体或屈氏体;当冷却速度增大到V3时(相当于油冷),得到的为屈氏体和马氏体;当冷却速度增大至V4、V5(相当于水冷),很大的过冷度使奥氏体骤冷到马氏体转变开始点(Ms)后,瞬时转变成马氏体,其中与C曲线鼻尖相切的冷却速度(V4)称为淬火的临界冷却速度。

图1
3、亚共析钢和过共析钢连续冷却时的显微组织
亚共析钢的C曲线与共析钢相比,只是在其上部多了一条铁素体先析出线,如图2所示。

图2
当奥氏体缓慢冷却时(相当于炉冷,如图2中V1),转变产物接近平衡组织,即珠光体和铁素体。随着冷却速度的增大,即V3>V2>V1时,奥氏体的过冷度逐渐增大,析出的铁素体越来越少,而珠光体的量逐渐增加,组织变得更细,此时析出的少量铁素体多分布在晶粒的边界上。
因此,v1的组织为铁素体+珠光体;v2的组织为铁素体+索氏体;v3的组织为铁素体+屈氏体。
当冷却速度为v4时,析出很少量的网状铁素体和屈氏体(有时可见到少量贝氏体),奥氏体则主要转变为马氏体和屈氏体(如图3);当冷却速度v5超过临界冷却速度时,钢全部转变为马氏体组织(如图6,图7)。
过共析钢的转变与亚共析钢相似,不同之处是后者先析出的是铁素体,而前者先析出的是渗碳体。
4、各组织的显微特征
(1)索氏体(s):是铁素体与渗碳体的机械混合物。其片层比珠光体更细密,在高倍(700倍以上)显微放大时才能分辨。
(2)托氏体(T) 也是铁素体与渗碳体的机械混合物,片层比索氏体还细密,在一般光学显微镜下也无法分辨,只能看到如墨菊状的黑色形态。当其少量析出时,沿晶界分布,呈黑色网状,包围着马氏体;当析出量较多时,呈大块黑色团状,只有在电子显微镜下才能分辨其中的片层(见图3);

图3 托氏体+马氏体
(3)贝氏体(B) 为奥氏体的中温转变产物,它也是铁素体与渗碳体的两相混合物。在显微形态上,主要有三种形态:
A、上贝氏体是由成束平行排列的条状铁素体和条间断续分布的渗碳体所组成的非层状组织。当转变量不多时,在光学显微镜下为与束的铁素体条向奥氏体晶内伸展,具有羽毛状特征。在电镜下,铁素体以几度到十几度的小位向差相互平行,渗碳体则沿条的长轴方向排列成行,如图4。
B、下贝氏体是在片状铁素体内部沉淀有碳化物的两相混合物组织。它比淬火马氏体易受浸蚀,在显微镜下呈黑色针状(如图5)。在电镜下可以见到,在片状铁素体基体中分布有很细的碳化物片,它们大致与铁素体片的长轴成55~60°的角度。
C、粒状贝氏体是最近十几年才被确认的组织。在低、中碳合金钢中,特别是连续冷却时(如正火、热轧空冷或焊接热影响区)往往容易出现,在等温冷却时也可能形成。它的形成温度范围大致在上贝氏体转变温度区的上部,由铁素体和它所包围的小岛状组织所组成。

图4 上贝氏体+马氏体

图5 下贝氏体
(4)马氏体(M):是碳在a-Fe中的过饱和固溶体。马氏体的形态按含碳量主要分两种,即板条状和针状(如图6、图7所示)
A、板条状马氏体一般为低碳钢或低碳合金钢的淬火组织。其组织形态是由尺寸大致相同的细马氏体条定向平行排列组成马氏体束或马氏体领域。在马氏体束之间位向差较大,一个奥氏体晶粒内可形成几个不同的马氏体领域。板条马氏体具有较低的硬度和较好的韧性。
B、针状马氏体是碳量较高的钢淬火后得到的组织。在光学显微镜下,它呈竹叶状或针状,针与针之间成一定的角度。最先形成的马氏体较粗大,往往横穿整个奥氏体晶粒,将奥氏体晶粒加以分割,使以后形成的马氏体的大小受到限制。因此,针状马氏体的大小不一。同时有些马氏体有一条中脊线,并在马氏体周围有残留奥氏体。针状马氏体的硬度高而韧性差。

图6 回火板条马氏体

图7 针状马氏体+残余奥氏体
(5)残余奥氏体(A残) 是含碳量大于0.5%的奥氏体淬火时被保留到室温不转变的那部分奥氏体。它不易受硝酸酒精溶液的浸蚀,在显微镜下呈白亮色,分布在马氏体之间,无固定形态。在图8表示含碳1.2%的碳钢正常淬火(780℃加热),其组织为马氏体+粒状渗碳体+少量残余奥氏体。

图8 马氏体+粒状渗碳体
(6)钢的回火组织与性能
A、回火马氏体。是低温回火(150~250℃)组织。它保留了原马氏体形态特征。针状马氏体回火析出了极细的碳化物,容易受到浸蚀,在显微镜下呈黑色针状。体温回火后马氏体针变黑,而残余奥氏体不变仍呈白亮色。低温回火后可以部分消除淬火钢的内应力,增加韧性,同时仍能保持钢的高硬度。
B、回火屈氏体。是中温回火(350~500℃)组织。回火屈氏体是铁素体与粒状渗碳体组成的极细混合物。铁素体基体基本上保持了原马氏体的形态(条状或针状),第二相对渗碳体则析出在其中,呈极细颗粒状,用光学显微镜极难分辨(如图9所示)。中温回火后有很好的弹性和一定的韧性。
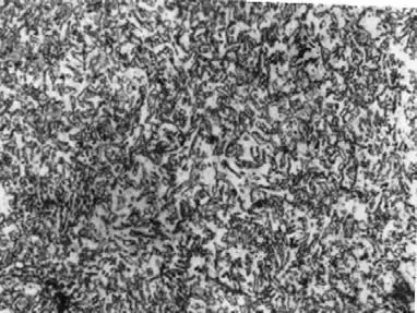
C、回火索氏体:是高温回火(500~650℃)组织。回火索氏体是铁素体与较粗的粒状渗碳体所组成的机械混合物。碳钢回火索氏体中的铁素体已经通过再结晶,呈等轴细晶粒状。经充分回火的索氏体已没有针的形态。在大于500倍的光镜下,可以看到渗碳体微粒(如图10所示)。回火索氏体具有良好的综合机械性能。

图9 回火托氏体

图10 回火索氏体
应当指出,回火屈氏体、回火索氏体是淬火马氏体回火时的产物,它们的渗碳体是颗粒状的,且均匀地分布在铁素体基体上;而淬火索氏体和淬屈氏体是奥氏体过冷时直接形成的,其渗碳体是呈片状。回火组织较淬火组织在相同硬度下具有较高的塑性与韧性。
免责声明:本网站所转载的文字、图片与视频资料版权归原创作者所有,如果涉及侵权,请第一时间联系本网删除。
官方微信
《中国腐蚀与防护网电子期刊》征订启事
- 投稿联系:编辑部
- 电话:010-62316606-806
- 邮箱:fsfhzy666@163.com
- 中国腐蚀与防护网官方QQ群:140808414



