模拟硫污染海水环境下交变氧含量对 B30 铜镍合金腐蚀行为的影响机制研究
"针对舰船 B30 合金材料服役期间在海水贫氧-富氧交替和 S2-污染环..."
管道内海水流动特性对碳钢阴极保护影响的试验与数值模拟研究
"为研究流动海水条件下管道内碳钢的阴极极化行为,本文构建了闭式循..."
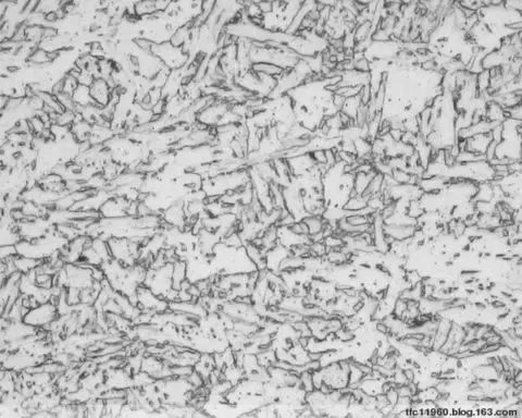
20种材料彩色金相详解!
"奥氏体是一般钢在高温下的组织,其存在有一定的温度和成分范围。有..."
碳点缓蚀剂的研究进展及展望
"碳点(CDs)因其突出的光电性能、来源丰富、富含官能团及杂原子、绿..."
MAX相A位贵金属元素替代显著提升高温熔盐下耐腐蚀性能
"新型热能储能系统普遍采用高温氯化物熔盐作为储热介质,这些高腐蚀..."
广东省科学院、华南理工:马氏体钢疲劳失效机制揭秘!离合器弹簧的“隐形杀手”
"汽车离合器弹簧作为高性能弹簧的典型代表,服役应力大于1000 MPa,疲..."
一文探索蠕变背后的变形与断裂之谜
"这就是金属的蠕变——一场在肉眼难以察觉的尺度上,时间与力量之间..."
新型复合防污防腐一体化涂层,兼具缺陷自修复功能,附着力达15.94 MPa
"海洋腐蚀和生物污损是海洋环境中常见的两大问题。海洋腐蚀指海水..."
用于超高压输电铁塔非接触式腐蚀检测的无人机检测平台
"针对传统输电铁塔人工检测安全性差、检测效率低等问题,提出了一种..."
氢脆HE:TDS氢含量测试前,“拉伸试样”断口部位切取
"ISO 16573:2015中推荐的试样尺寸,下图。直径D=10mm的试样为标准试..."
稀土元素对耐候钢电化学腐蚀行为的影响
"稀土元素在改善钢铁材料性能方面具有无可替代的作用。制备了尺寸..."
直升机连接结构腐蚀试验与仿真
"以结构大修腐蚀损伤容限为标准,以无腐蚀和有限腐蚀损伤(基于实际损..."
深埋引水钢管的防腐蚀设计
"珠江三角洲水资源配置工程设计使用年限100 a,其中内衬钢管防腐蚀..."
Nat. Commun./高性能形状记忆合金/厦门大学
"在全球应对气候变化、追求“双碳”目标的今天,传统蒸汽压缩制冷技..."
冷却液的腐蚀性评价标准和实验方法
"理想汽车前一段时间官微所发的公告(如上图)中提及了“冷却液防腐性..."
改性氧化石墨烯环氧树脂复合涂层的耐蚀性
"环氧树脂是金属防腐蚀领域常用涂层涂料,它能在金属表面形成一层具..."
Materials Today/超级耐蚀镁合金/曾小勤教授
"上海交通大学材料科学与工程学院曾小勤教授联合多家科研单位,成功..."
关中地区十六国墓葬出土铁器的锈蚀情况
"出土铁质文物锈蚀产物成分与机理研究是金属文物保护的重要内容,近..."
沉入海底 2 年的微软数据中心浮出水面:故障率只有陆地上的 1/8,除了长点贝类和藻类完全没问题
"2018年微软把一个数据中心沉入苏格兰北部冰冷的海底,经过两年试运..."
浅谈高铁结构与新材料应用
"现代化的交通运输是国家经济的命脉,对国民经济发展起着决定性作用..."
沈阳飞机设计研究所:气候与使用工况耦合环境作用下飞机的腐蚀损伤特点
"军用飞机在各种环境下服役,使用环境复杂,特别是海军飞机在高湿、高..."
八大电化学测试方法总结!CV、EIS、LSV、Tafel斜率、起始电位、计时电流法、计时电位法、稳定性测试!
"本文介绍了循环伏安法(CV)、线性扫描伏安法(LSV)、电化学阻抗谱(EIS)、..."
十大表征技术总结!SEM、AFM、TEM、XRD、BET、XPS、CV、EIS、Raman、FTIR!
"SEM的工作原理基于电子束与样品相互作用产生的各种信号,如二次电..."
气田地面管线环焊缝的失效原因
"我国西北苏里格气田地面管线环焊缝处由于局部腐蚀和穿孔发生刺漏..."
Acta Mater/北科大吕昭平-西交大刘刚教授/高强耐疲劳铝合金
"你是否想过,一架飞机的机翼材料,既要足够坚固以承受万米高空的巨大..."

























