合金成分对高熵合金及其涂层耐腐蚀性能影响的研究进展
"金属腐蚀可对结构工程部件造成损坏,影响材料的正常功能,使其在服役..."
无损检测方法(17种)及术语标准
"无损检测技术(NDT,Non-destructive testing)是人类工业化和社会发..."
T2铜合金和Q235钢在模拟北山地下水环境中的电偶腐蚀行为研究
"通过电化学测试实验和腐蚀产物分析研究了T2铜合金和Q235钢在北山..."
改性氧化石墨烯复合气凝胶的制备及其对抗生素的吸附
"采用表面活性剂十二烷基二甲基苄基氯化铵(BKC)对氧化石墨烯(GO)进行..."
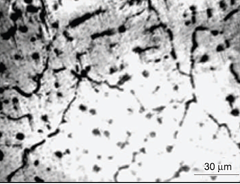
固溶对6451铝合金组织及力学性能的影响
"采用电导率测试和拉伸实验,结合 OM和 SEM 形貌观察,研究不同固溶对..."
含Mg铝合金牺牲阳极的电流效率及其影响因素
"在铝合金牺牲阳极中添加Mg、Ti、Nb等合金元素,研究它们的含量与存..."
课堂 | 金属材料力学性能指标
"拉伸是一种简单的力学性能试验,在测试标距内,受力均匀,应力应变及其..."
中国科协:2025年起,青托工程博士生专项资助人数由目前3千余名扩大到每年1万人左右,每年15%以上相关学科博士毕业生将获资助
"据中国科协之声援引新华社消息,中国科协青年人才托举工程博士生专..."
一文看懂金属材料无损检测
"无损检测就是指在不损坏试件的前提下,对试件进行检查和测试的方法..."
冷喷涂铜钛伪合金防污材料的腐蚀行为
"本文构建了一种Cu-Ti伪合金微电偶体系,加速Cu的腐蚀速率提高其在..."
热障涂层的研究现状与发展趋势
"热障涂层是一类高温防护涂层,由于其应用的广泛性,已成为近年来涂层..."
Nb 对锆合金腐蚀吸氢的影响
"锆合金是水冷核动力堆用关键结构材料,其在服役环境中的腐蚀和吸氢..."
刚刚,2025中国大学排名发布!
"2025中国大学排名发布!"
纯铁在3.5wt% NaCl溶液中的初期腐蚀行为
"采用电化学和浸泡腐蚀实验,结合扫描电镜、3D光学轮廓仪和显微拉曼..."
海洋环境中CaAl-LDH对钢筋混凝土寿命的影响
"随着我国交通基础设施海洋综合立体交通体系建设,越来越多的公路、..."
聚变堆用超低温高强韧特种焊材获得应用
"可控核聚变能具有安全、清洁、燃料丰富等优点,是解决人类未来能源..."
油气田异种金属焊接接头硫化物应力腐蚀开裂研究进展
"针对油气田异种金属焊接接头硫化物应力腐蚀开裂(SSCC)行为,概述了..."
航空发动机及燃气轮机热障涂层高温腐蚀与防护
"本文综述了CMAS、熔盐、CMAS+熔盐等腐蚀问题的产生和腐蚀机理,重..."
客车车身防腐蚀技术应用探讨
"随着社会的发展,客户对客车车身的防腐蚀要求越来越高,甚至有的客车..."
百所大学获批全国重点实验室(278家)
"2024年是推动全国重点实验室重组的关键之年。年末已至,近期,又有多..."
科技部相关司局负责人回应职务科技成果赋权改革:破解“不敢转”“不想转”“不能转”难题
"近日,就职务科技成果赋权改革这一热点话题,科技日报记者专访了科技..."
油气田地面集输管线选材
"介绍了碳钢、低合金钢、金属复合管、聚乙烯管、钢骨架增强聚乙烯..."
输电线路近地电场对接地极腐蚀的影响及防腐蚀措施
"介绍了输电线路近地电场的计算理论,通过Maxwell平台建立同塔四回..."
电磁轨道发射用电枢表面损伤及其防护研究进展
"电磁轨道发射装置处于大电流(~MA 级)、强磁场(~T 级)、高热量(~103 K ..."
长寿命热障涂层失效机制、材料选择及结构设计研究进展
"热障涂层(Thermal barrier coatings, TBCs)是一种应用于航空发动机..."

























