高钛马氏体时效不锈钢的疲劳裂纹扩展行为
"钢铁材料具有易于加工、价格低廉和便于回收等特点,现已成为工业生..."
表面改性技术对海洋环境中金属构件腐蚀损伤与腐蚀疲劳性能影响的研究进展
"我国“十四五”规划明确指出:“要建设现代海洋产业体系,围绕海洋工..."
典型抗氢损伤的方法(抗氢损伤材料的本质安全设计)
"针对不同材料和临氢部件进行抗氢损伤本质安全设计,使其更好地满足..."
9 焊接与检测 | SY/T 7820-2024 输氢管道工程设计规范(2025年6月25日实施)
"SY/T 7820-2024 输氢管道工程设计规范 Specification for design..."
一种大气腐蚀实时监测装置的开发及其在不同环境中的应用
"本文介绍了一种新型的大气腐蚀监测工作站,专为评估不同大气环境下..."
冷喷涂制备TC4-WC涂层的组织及耐蚀性能研究
"冷喷涂TC4涂层存在较多孔洞,涂层防腐蚀性能较差。为提升涂层耐腐..."
腐蚀产物清除、应力腐蚀敏感性、双金属大气暴露腐蚀-3项国家推荐标准发布
"2025年第14号,国家市场监督管理总局(国家标准化管理委员会)批准《金..."
浅析水性无机硅酸盐防腐涂料的组成与改性研究进展
"相较于有机防腐涂料,无机防腐涂料在环保性、耐热性、耐久性、热稳..."
Al-10%RE(RE=Ce、Nd、Y、La)合金在典型海洋大气环境下的腐蚀行为研究
"将二元稀土铝合金Al-10wt.%RE(Ce、Nd、Y、La)放置在2个大气腐蚀试..."
含Cr耐蚀钢筋在模拟高碱性混凝土孔隙液中的钝化行为
"针对不同Cr含量(0、3%和9%,质量分数)的耐蚀钢筋(20MnSi钢、3Cr钢..."
阴极保护条件对高压直流干扰下X80钢腐蚀行为的影响规律及作用机制
"近年来,埋地油气管道受到的高压直流干扰问题引起广泛关注,如何准确..."
典型沿海地区五种电网材料在大气环境下的腐蚀行为研究
"研究了5种常用电网材料:碳钢、Zn、镀锌钢(ZF)、Al和Cu在典型沿海..."
海上超临界二氧化碳环境中含水率和温度对A106钢腐蚀行为影响研究
"海上碳捕集、利用与封存技术是解决当前CO2过量排放问题的有效途..."
水化学对690镍基合金高温高压水腐蚀行为的影响
"压水堆核电站蒸汽发生器传热管作为连接一回路和二回路的关键设备..."
沉管隧道钢壳牺牲阳极长期阴极保护效果模拟
"针对回填石和海淡水复杂介质环境中铝合金牺牲阳极对沉管隧道钢壳..."
低合金高强钢极地环境加速腐蚀试验谱编制与研究
"针对低合金高强钢在极地低温环境下的腐蚀演化行为与寿命预测需求..."
油气田用马氏体不锈钢腐蚀性能研究现状与进展
"高温、高压和高浓度腐蚀性介质油气田工况环境,对服役钢材耐蚀性能..."
航空航天高强、高韧性和耐腐蚀性强的铝合金材料发展方向及工艺处理!
" 超高强铝合金一般指屈服强度在500MPa以上的铝合金,常见的就是牌..."
细说不锈钢晶间腐蚀
"1 问题的提出 技术统一规定中通常包括“奥氏体不锈钢制容..."
奥氏体钢辐照促进应力腐蚀开裂行为机制的研究进展
"奥氏体不锈钢是压水堆堆内构件的主要材料,服役过程中在中子辐照、..."
超浸润海洋防污防腐涂层的研究进展
"海洋生物污损与腐蚀现象严重威胁海上装备、船舶及油气管道等设施..."
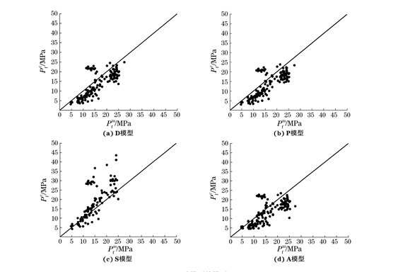
基于腐蚀管道剩余强度评价模型不确定性的全概率分析
" 针对腐蚀管道剩余强度评价模型的不确定性,采用全概率数学..."
日本高放废物处置容器腐蚀厚度设计研究进展
" 日本高放废物处置容器腐蚀厚度设计研究进展彭立园,1,2, 谢敬礼1..."
镁合金在海洋环境中的腐蚀与防护研究
" 镁合金在海洋环境中的腐蚀与防护研究魏然1,2,3, 蒋全通,1,2,3, ..."
























