马氏体、奥氏体、珠光体……20种材料彩色金相
2025-11-03 14:48:24
作者:本网发布 来源:金属加工
分享至:
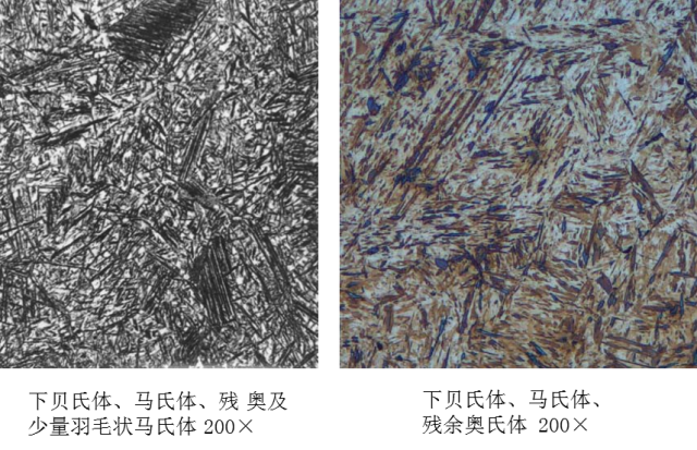
马氏体、奥氏体、珠光体……这些看似晦涩难懂的名词,正是打开金属微观世界大门的钥匙。通过金相分析技术,我们可以将金属材料的微观结构放大数百甚至上千倍,并用特殊的染色方法,将不同的组织结构赋予鲜明的色彩。

下面展示的是20种材料的金相,有浸蚀方法、放大倍数和别的显微组织。

看得是不是很兴奋,美吧,说明金属也是有内涵的,你们之前没有发觉而已。上面出现了马氏体、奥氏体和珠光体等,这些金相组织是如何定义的?它们又有哪些特征呢?接下来咱们继续带领大家深入了解。
免责声明:本网站所转载的文字、图片与视频资料版权归原创作者所有,如果涉及侵权,请第一时间联系本网删除。