低碳低合金结构钢金相组织与对应热处理工艺及性能
2024-01-16 16:01:52 作者:每天学点热处理 来源:每天学点热处理 分享至:

 

本期介绍低碳低合金结构钢金相组织,与之对应的热处理工艺,以及该组织状态下对应的加工、机械性能。

 

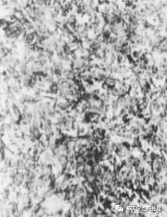
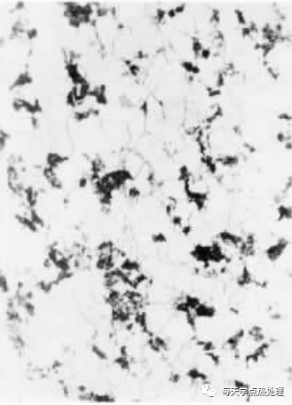
图1  100X

图号:图1 

材料:16Mn

工艺情况:热轧回火状态

浸蚀方法:4%硝酸酒精溶液浸蚀

组织说明:

均匀细小的白色铁素体晶粒和黑色珠光体。

锰属我国富产资源之一,价格比较低廉,而且锰在钢中有其优越的性能,在我国的合金钢牌号系列中,锰钢得到广泛的应用。

16Mn钢具有足够的刚度、强度和韧度,并且经济实用。该钢多以轧成钢板和型材供应市场。

本图由于采用合适的回火工艺,使钢材具有分布均匀和较细的晶粒,能充分发挥钢材的潜力,也有利于冲压成型。


 

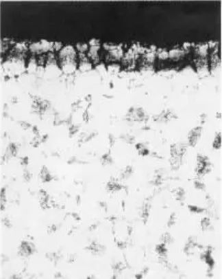
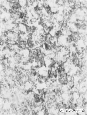
图2 400X

图号:图2

材光料:16Mn
工艺情况:热轧退火状态
浸蚀方法:4%硝酸酒精溶液浸蚀
组织说明:
白色基体为铁素体及块状分布的片状珠光体,略呈带状分布趋势。
16Mn钢含锰量1.20%~1.60%,它主要固溶于铁素体基体中,从而在钢材中起固溶强化的作用,有利于钢材得到很好的力学性能。
16Mn钢主要应用于桥梁、建筑、汽车、压力容器和船舶等领域。



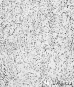
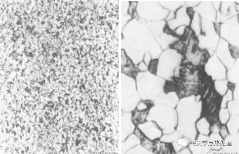
图3 200X
图号:图3 
材料:16Mn
工艺情况:910℃正火
浸蚀方法:4%硝酸酒精溶液浸蚀
组织说明:
锻件正火状态的显微组织为白色铁素体和黑色细片状的珠光体,较均匀分布。
16Mn钢是一种低碳结构用钢,它含合金元素较少,但强度(尤其是屈服强度)却比同等含碳量的普通碳钢要高得多,同时,具有良好的可焊性和耐蚀性,广泛作为石油化工、汽车、桥梁和建筑上的结构材料。用 16Mn钢制造某些压力容器,可以减薄钢板壁厚并简化制造工艺。
16Mn钢一般在热轧退火状态或正火状态下使用。焊后可以不再进行热处理。

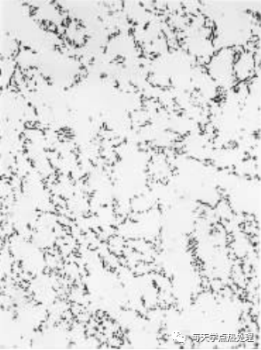
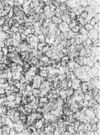
图4  500X
图号:图4 
材料:16Mn
工艺情况:910℃淬火,600℃回火
浸蚀方法:4%硝酸酒精溶液浸蚀
组织说明:
索氏体和羽毛状的上贝氏体以及少量沿晶界分布的铁素体。
锰具有降低 Ar1和提高钢淬透性的作用,使组织均匀,从而提高钢的力学性能。但锰也具有增加钢的过热敏感性和回火脆性倾向的作用,所以要严加控制淬火加热温度,同时避免在回火脆性区慢冷。
16Mn钢也可作为-40℃的低温用钢使用。作为低温用钢使用时,经调质处理比之正火、回火处理具有更好的低温性能。



图5 500X
图号:图5、图6 
材料:20CrMo
工艺情况:780℃保温 6h,炉冷至 700℃保温 6h,炉冷至550℃以下出炉
浸蚀方法:4%硝酸酒精溶液浸蚀
组织说明:
图5:在铁素体基体上均匀分布着碳化物颗粒。碳化物大部分为球状,小部
分为点状和短线段状,属正常球化退火组织,其硬度不大于80HRB。

图6  500X
图6:基体组织形貌同图5,但表面(图上方)存在严重的氧化及脱碳现象,破坏了表面金属的连续性,会使冷挤压成型工艺失败。
造成表面氧化的原因为,球化退火时炉内保护气氛不当;或雨天装料退火,装料桶内存在大量水分,或原材料表面氧化脱碳等因素引起的。
20GrMo钢球化退火的目的与各种碳素工具钢、合金工具钢及滚动轴承钢球化退火的目的不同:既不是为了改善切削性能,也不是为最终的淬火作组织准备,而是为了顺利进行冷变形成型。20CrMo钢由于同时含铬、钼合金元素,在冷成型过程中材料容易产生冷作硬化现象,变形阻力大。因此比之低碳碳素钢、20Cr钢、40Cr钢等冷成型难度大得多,对球化退火组织的要求也高。
当显微组织为高塑性的铁素体上均匀地分布着球状碳化物时,碳化物对基体的应力集中效应较弱,变形阻力减少,此时具有最佳的冷挤、冷冲压成型效果。20CrMo钢球化退火时碳的扩散距离大,球化较困难,采用等温转球化退火较之其他球化退火工艺,具有效果好、生产周期短的优点。
等温球化的加热温度一般在Ac1以上(25~35℃),保温一定时间(根据零件大小和装炉量而定)后,炉冷至 Ac1以下(20~30℃),保温一定时间,炉冷至550℃以下出炉。20CrMo钢的Ac1为743℃,所以加热温度为 770~780℃,等温温度为700~710℃为宜。


图7 500X
图号:图7
材光料:20CrMo
工艺情况:800℃保温 6h,炉冷至 700℃保温6h,炉冷至 550℃以下出炉
浸蚀方法:4%硝酸酒精溶液浸蚀
组织说明:
白色铁素体上分布着碳化物,碳化物大部分为球状,小部分为粗片状和点状。粗片状珠光体少于10%,属球化不足(不良)组织。
在等温球化退火时,等温温度正常,但加热温度偏高接近Ac3(818℃)。随着加热温度的提高,奥氏体的转变量增加,加热时未溶解的碳化物晶核减少,在以后的等温和十分缓慢的冷却过程中,容易生成粗颗粒和粗片状的碳化物,这种组织分布使其冷变形能力变差。


图8 实物
图号:图8、图9
材料:20CrMo
工艺情况:780℃保温 6h,炉冷至640℃保温6h,炉冷至 550℃以下出炉
浸蚀方法:;图9,4%硝酸酒精溶液浸蚀
组织说明:
球化不良引起冷拉伸成型脱底。
图8,滚子由圆片冷拉伯成筒体,冲至碗形时脱底报废。

图9 500X
图9,点状珠光体和少量的球状及细片状珠光体为球化不良组织。等温转变法球化退火时,加热温度正常,但等温温度偏低,等温转变时,过冷度增加。由于奥氏体分解时,析出碳化物的成核率随过冷度的增加而增多,这时碳原子除了扩散到加热时未溶解的碳化物处长大外,大多数是在新生成的碳化物核心上长大。这样球化退火后,除了少量的球化碳化物外,大多数为点状碳化物,这种组织状态其变形阻力和形变硬化指数增加,在冷拉伸成型时,未能冲成桶形,而在冲成碗形时就脱底报废。



图10 500X
图号:图10
材.料:20CrMo
工艺情况:840℃保温 6h,炉冷至700℃保温6h,炉冷至 550℃以下出炉空冷浸蚀方法:4%硝酸酒精溶液浸蚀
组织说明:
粗片状珠光体和白色铁素体基体,是球化不良组织。
同时表面有严重的氧化和脱碳等现象,很容易造成冷挤压成型失效。
等温转变球化退火时,加热温度过高,超过Ac3温度加热时,组织已完全奥氏体化,碳化物已完全溶解在奥氏体中,造成冷却时没有非自发成核的碳化物核心可供碳原子扩散长大,而是直接由奥氏体在缓慢的分解过程中,生成粗片状的珠光体和铁素体,这种组织硬度较高,冷变形阻力大,常会造成冷成型失败。


图11 500X
图号:图11
材 料:20CrMo
工艺情况:880℃淬油,200℃回火
浸蚀方法:4%硝酸酒精溶液浸蚀
组织说明:
板条状马氏体的弯曲变形。板条状马氏体具有高强度和良好韧度,其力学性能如下:
σb1530~1560MPa;
σ0.21280~1350MPa;
δ 14%~15%;
ψ 59%~61%;
Ak 75~85J;
硬度:42~44HRC;
断裂韧度Kc 350MPa·m½。
由于其强度高,可以制成承载能力大的零件,同时由于其高韧度,具有很好的抗冲击能力。图为试样使用时受到大能量冲击,表面产生弯曲吸收冲击能量,而不开裂。而高碳针状马氏体受到大能量冲击时,一般不会发生变形而发生开裂现象。这是低碳板条状马氏体具有良好强韧度和断裂韧度的例证。



图12 500X
图号:图12
材料:20CrMo
工艺情况:880℃淬油,180℃回火
浸蚀方法:4%硝酸酒精溶液浸蚀
组织说明:
基体为板条状马氏体。硬度42~44HRC。
滚子尺寸为中Φ28~21×31mm,快速油淬能完全淬硬。板条状马氏体具有高强度和良好的韧性。以板条状马氏体组织状态的滚子具有优良的使用性能。


图13  500X
图号:图13 
材料:20CrMo
工艺情况:880℃淬清水,180℃回火
浸蚀方法:4%硝酸酒精溶液浸蚀
组织说明:
基体为板条状马氏体,沿晶界析出白色铁素体、黑色托氏体以及羽毛状贝氏体。硬度40~42HRC。
滚子尺寸为Φ46~33×48mm,随着零件的增大,淬火时由于淬透性不足而出现的非马氏体组织量也增加。


图14 500X
图号:图14 
材料:20CrMo
工艺情况:880℃淬5%盐水,180℃回火
浸蚀方法:4%硝酸酒精溶液浸蚀
组织说明:
基体为板条状马氏体和少量羽毛状贝氏体。硬度42~44HRC。
滚子尺寸为Φ46~33×48mm,淬盐水比淬清水可提高淬透性。


图15 200X
图号:图15
材料:20CrMo
工艺情况:轧制状态
浸蚀方法:4%硝酸酒精溶液浸蚀
组织说明:
黑色珠光体及白色铁索体,T2中央为灰色氧化物。
原材料表面存在皮下气泡,轧制时向表面裂开,并在高温轧制过程中表面产生氧化和脱碳。因此缺陷开口小,而尾部粗大圆钝,并基本上垂直于表面。


图16  400X
图号:图16
材料:20CrMo
工艺情况:退火状态
浸蚀方法:4%硝酸酒精溶液浸蚀
组织说明:
折叠缺陷。
显微组织为点状珠光体和铁素体。
20CrMo钢板为热轧钢板,退火后表面酸洗,再冷轧。由于退火后表面氧化层没有酸洗干净,或没有清除原有表面缺陷,造成冷轧时把表面的氧化物轧入钢板中,从而形成折叠缺陷,在折叠处两侧可以看到表面金属变形流线的中断。


图17 500X
图号:图17 
材料:20CrMnMo
工艺情况:退火态
浸蚀方法:4%硝酸酒精溶液浸蚀
组织说明:
粒状珠光体,其中细粒状碳化物分布不均匀,带有原始组织带状偏析的痕迹。
20CrMnMo钢常用来制造拖拉机主齿轮、活塞销等机械零件。它的最终热处理工艺应为 910℃渗碳、850℃油淬、200℃回火。

图18  500X
图号:图18
材料:20CrMnMo
工艺情况:870℃正火
浸蚀方法:4%硝酸酒精溶液浸蚀
组织说明:
白色铁素体和黑色珠光体,珠光体呈带状分布。带状组织级别应100倍下按照 GB/T 13299《钢的显微组织评定方法》评定。


图19  500X
图号:图19
材料:20CrMnMo
工艺情况:850℃淬油,180℃回火
浸蚀方法:4%硝酸酒精溶液浸蚀
组织说明:
板条状马氏体和贝氏体。
20CrMnMo钢是高强度的渗碳钢,其淬透性和力学性能优于 20CrMnTi钢,经850℃淬油,180℃回火处理,淬成板条状马氏体,其力学性能可达到
σb≥1175MPa;  σ0.2≥885MPa;  δ≥15%;  ψ≥45%;  Ak≥55J。
20CrMnMo钢渗碳淬火后具有较高的耐磨性和抗弯强度,但磨削时容易产生裂纹,焊接性能较差。


图20  400X
图号:图20
材料:20CrMnMo
工艺情况:锻后正火,再经淬火处理
浸蚀方法:饱和苦味酸水溶液热浸蚀
组织说明:
低碳马氏体、贝氏体及少量白色颗粒状铁素体,深色晶界勾划出晶粒,晶粒度可评为10~9 级。
20CrMnMo是一种高级渗碳钢。锻造后正火处理是为了细化晶粒,以保证以后的渗碳质量以及心部有良好的综合力学性能。
为检测正火后的晶粒度,按照 GB/T6394《金属平均晶粒度测定法》中“直接淬火硬化钢法”及上述试剂显示晶粒,并用对比法评定晶粒度。


图21  100X
图号:图21
材料:20CrMnTi
工艺情况:锻造后正火处理
浸蚀方法:4%硝酸酒精溶液浸蚀
组织说明:
粒状贝氏体、白色断续网状分布的铁素体以及黑色块状的珠光体。
基体硬度:248HBS。正火后的正常组织应为均匀的珠光体和铁素体。本试样的组织表明正火中加热、保温、冷却均控制不当。
20CrMnTi是一种渗碳用钢,渗碳前一般应进行正火处理,以细化晶粒、改善组织分布,为渗碳作好组织准备。


图22  500X
图号:图22
材料:20CrNi2Mo
工艺情况:退火态
浸蚀方法:4%硝酸酒精溶液浸蚀
组织说明:
铁素体和点状珠光体,略显带状分布。
20CrNi2Mo钢较之20CrMnMo钢,具有更高的淬透性,更高的强度和良好的韧度。常用来截面较大,负荷高,而又需要良好韧度的大型渗碳件,如大型齿轮、轮轴、花键轴、活塞销、轴承套圈等。可直接淬火、低温回火使用,也可作调质钢使用。


图23  500X 
图号:图23
材料:20CrNi2Mo
工艺情况:890℃正火
浸蚀方法:4%硝酸酒精溶液浸蚀
组织说明:
铁素体和珠光体,局部晶界布有三次渗碳体,珠光体呈细片状及粒状分布。
20CrNi2Mo钢有白点敏感性,大型锻件锻后应退火或去氢退火处理,以防白点的产生。为了消除锻件的粗晶,有时在最终热处理前可进行正火(+回火)处理,以消除锻造的粗大晶粒和使组织均匀化。


图24  500X
图号:图24
材料:20CrNi2Mo
工艺情况:880℃淬油后再 800℃淬油,180℃回火
浸蚀方法:4%硝酸酒精溶液浸蚀
组织说明:
马氏体和少量贝氏体。
20CrNi2Mo钢经二次淬火和低温回火具有高强度和良好韧度的综合力学性能,Φ25mm 试棒经上述工艺热处理后,其力学性能可达到:
σb≥980MPa;  δ≥13%;  ψ≥45%;  Ak>36J。



图25  500X
图号:图25
材料:20Cr2Ni4
工艺情况:退火态(原材料)
浸蚀方法:4%硝酸酒精溶液浸蚀
组织说明:
铁素体和颗粒状珠光体,呈带状分布。
20Cr2Ni4钢的强度、韧度以及淬透性均高于20CrNi2Mo和12Cr2Ni4钢,并有良好的低温韧度,常用于制造要求高的大型渗碳件,如大型齿轴、轴和大型轴承等,也可作强度和韧度要求比较高的调质件。20Cr2Ni4 钢白点敏感性比较大。并有回火脆性倾向,所以作为调质处理时,回火后应快冷,以避免回火脆性的产生。


图26  500X
图号:图26
材料:20Cr2Ni4
工艺情况:890℃正火
浸蚀方法:4%硝酸酒精溶液浸蚀
组织说明:
岛状贝氏体、铁素体和少量马氏体。
20Cr2Ni4 钢铬、镍合金元素含量比较高。铬、镍合金元素具有强烈提高钢的淬透性,使奥氏体恒温转变曲线和连续转变曲线向右移,以及降低奥氏体临界分解速度的作用。这样正火空冷时容易得到岛状贝氏体、铁素体,以及少量空淬马氏体的混合组织,组织应力很大。因此,20Cr2Ni4 钢渗碳后,淬火前应作高温回火处理,一方面具有消除应力减少裂纹的产生,另一方面可以减少渗层的残余奥氏体量,起到稳定尺寸的作用。

图27  500X
图号:图27
材料:20Cr2Ni4
工艺情况:870℃淬油后再 90℃淬油,180℃回火
浸蚀方法:4%硝酸酒精溶液浸蚀
组织说明:
低碳马氏体和极少量铁素体。
20Cr2Ni4钢在经二次淬火和低温回火后,获得板条马氏体,具有优良的综合力学性能,Φ5mm 试样,力学性能可达:
σb≥1175MPa;  σ0.2≥1080MPa;  δ≥10%;  ψ≥45%;  Ak≥63J。



图28  500X
图号:图28
材料:20MnTiBH
工艺情况:870℃淬火,380℃回火
浸蚀方法:4%硝酸酒精溶液浸蚀
组织说明:
贝氏体、回火托氏体以及小块状铁素体。
20MnTiB 中硼含量不高(0.001%~0.004%),但能明显提高淬透性。它是一种渗碳钢,用于制造中等负荷的轴类、中模数齿轮,也用于制造高强度螺栓。
本样品中小块状铁素体属未溶铁素体,表明淬火加热不充分。同时回火不充分,淬火组织未在中温回火中充分转变。


图29  500X
图号:图29~图31
材料:25CrNi3MoV
工艺情况:调质处理
浸蚀方法:4%硝酸酒精溶液浸蚀
组织说明:
图29,保持马氏体位向的回火索氏体及很少量铁索体,组织较粗。(系进口 5万kw发电机转子)。

图30  500X
图30,较均匀的回火索氏体,属较好的调质组织。(系国产5万kw发电机转子)。

图31  500X
图31,较均匀的回火索氏体,组织略粗大。(系国产12.5万kw发电机转子)。
以上三件样品均为大件调质处理件。大件调质较一般件有其特性,一般情况下为保证其一定的淬透性,加热温度均取上限,因此其组织相对粗大些。


图32  500X
图号:图32
材料:25MnTiB
工艺情况:870℃加热淬水,380℃回火
浸蚀方法:4%硝酸酒精溶液浸蚀
组织说明:
回火托氏体(深色部分)和回火索氏体及少量沿原奥氏体晶界析出的铁素体。说明淬火冷却时由于冷却速度太慢,致使铁素体析出,并形成部分索氏体转变。图中多边形白色块状为TiN夹杂,光学显微镜下观察时呈橘黄色。



图33  200X
图号:图33
材料:ZG16Mn
工艺情况:铸态
浸蚀方法:4%硝酸酒精溶液浸蚀
组织说明:
铸态ZG16Mn钢的显微组织为白色针状铁素体和珠光体,呈严重的魏氏组织状态。
集装箱的四只箱角采用 ZG16Mn钢精密浇铸而成。ZG16Mn钢含有约1%的锰元素,锰和铁可以形成固溶体,提高铁素体和奥氏体的强度和硬度。锰能降低奥氏体的临界转变温度,起到细化珠光体的作用,因此 16Mn钢和相同含碳量的碳素钢相比具有更高的强度。ZG16Mn钢碳当量低,可焊性好,便于和集装箱箱体焊接。
铸态 ZG16Mn钢存在严重的魏氏组织,脆性大,应力大,不能直接使用,必须经过退火或正火(回火)才能使用。


图34  200X
图号:图34 
材料:ZG16Mn 
工艺情况:910℃退火
浸蚀方法:4%硝酸酒精溶液浸蚀
组织说明:
铸态 ZG16Mn钢经完全退火后,魏氏组织已得到完全消除,其显微组织为等轴的白色铁素体晶粒和黑色珠光体。
随着魏氏组织的消除,钢的韧性也得到明显提高,同时也消除了铸造时产生的内应力。

图35  2000X
图号:图35
材料:HSLA TRIP钢(相变诱发塑性钢)
工艺情况:热轧形变热处理后两相区退火,再中温等温淬火
浸蚀方法:苦味酸酒精溶液及硝酸酒精溶液浸蚀
组织说明:
铁素体基体上分布有贝氏体、残余奥氏体及少量马氏体。组织很细,高倍下才能分辨。
HSLA TRIP钢是一种低碳Si-Mn钢,其中碳含量约为0.20%、硅含量约为1.6%、锰含量约为1.58%。“TRIP”是钢中室温下稳定存在的残余奥氏体变形时向马氏体转变而引起的相变强化和塑性增长的一种效应。为获得强度和塑性的优良匹配,关键在于在在一定百分含量的残余奥氏体及其有足够的稳定性,使之能实现渐进式转变。即钢材在压力变形加工过程中具有优良的可塑性,并能不断获得更好的强塑性。
TRIP 钢可大量用于汽车结构件。


图36  250X      图37  1000X
图号:图36~图39
材料:铁素体-马氏体双相钢
图36、图37,C:0.08%;S:0.013%;Si:0.07%;Mn:0.97%;P:0.028%
图39、图39,C:0.07%;S:0.016%;Si:1.04%;Mn:1.03%;P:0.012%
工艺情况:热轧、淬火处理
浸蚀方法:4%硝酸酒精溶液浸蚀
组织说明:
图36、图37,为同一试样不同倍率下组织形貌,铁素体和马氏体,组织。略呈等轴状,高倍下可看到板条状马氏体被铁素体包围,马氏体含量平均约为20.2%。硬度为271~278HV1

图38  250X      图39  1000X
图38、图39是同一试样,组织为铁素体、小块状索氏体及马氏体,略呈带状分布。高倍下可看到保持马氏体位向的索氏体形貌。硬度为205~210HV1
热轧铁素体-马氏体双相钢是一种低碳低合金钢。低碳是为了保证以铁素体为基体;一定量的合金化元素,是为了保证一定的淬透性,以期获得一定量的马氏体。这种组织的钢材在交变载荷下,在整体弹性变形后铁素体发生塑性变形及形变强化,由于马氏体及两相界面的存在,使其整体抗拉强度提高并具有较好的抗疲劳性能。同时,这种双相钢又具有屈服强度低,塑性好易于冲压加工的优点,已广泛用于汽车工业。
热轧铁素体-马氏体双相钢的性能,在一定化学成分范围内主要与马氏体数量及分布有关。在低倍下检测评定马氏体数量,在高倍率下观察评判马氏体形态。上述两样品中,图36样品的性能明显高于图38样品,不仅硬度高,更主要的是前者疲劳寿命为后者的两倍。

免责声明:本网站所转载的文字、图片与视频资料版权归原创作者所有,如果涉及侵权,请第一时间联系本网删除。

    标签:
相关文章
无相关信息