一文带你了解先进高强钢
2022-06-28 13:23:32 作者:材易通 来源:材易通 分享至:

    一、引言

 

    欧洲车身会议(ECB大会)对汽车用钢板的分类是按照冶金学的组织类型来分类的,将钢种分为传统软钢、高强度钢、先进高强度钢和超高强度钢等。


    先进高强度钢(Advanced High Strength Steels,AHSS),是具有复相组织的材料,通过严格控制加热和冷却工艺达到所要的化学成分和复相微结构,并采用各种强化机制来实现不同强度、延展性、韧性和疲劳性能。


二、性能

 

在过去,钢铁的抗拉强度超过550 MPa,可以归为先进高强度钢,而抗拉强度超过780 MPa归为超高强度钢,然而,当下多相先进高强度钢的最低抗拉强度是440 Mpa,因此将强度作为界定先进高强钢的标准不再适用。抗拉强度为1000 MPa的先进高强度钢通常也称之为1GPa钢。第三代先进高强度钢有望在低成本前提下实现相当或更优的性能。

640?wx_fmt=jpeg&wxfrom=5&wx_lazy=1&wx_co=1.jpg

钢种的强度-延性图IF—无间隙原子钢;Mild—低碳铝镇静钢;

IF-HS—高强度IF钢;BH钢—烘烤硬化刚;

CMn—碳锰钢;HSLA—高强度低合金钢;

DP—双相钢;CP—复相钢;

TRIP—相变诱导塑性钢;MS—马氏体钢;

TWIP—孪晶诱导塑性钢先进高强度钢材料性能概览(包含HSLA钢)

 

序号

牌号

Min Yield Strength

Min Tensile Strength

MPa

MPa

1

DP210/440

210

440

2

DP 300/500

300

500

3

FB 330/450

330

450

4

HSLA 350/450

350

450

5

DP 350/600

350

600

6

TRIP 350/600

350

600

7

TRIP 400/700

400

700

8

HSLA 420/500

420

500

9

FB 450/600

450

600

10

TRIP 450/800

450

800

11

HSLA 490/600

490

600

12

CP 500/800

500

800

13

DP 500/800

500

800

14

TWIP 500/900

500

900

15

TWIP 500/980

500

980

16

HSLA 550/650

550

650

17

CP 600/900

600

900

18

TWIP 600/900

600

900

19

DP 600/980

600

980

20

TRIP 600/980

600

980

21

Q&P 650/980

650

980

22

CP 680/780

680

780

23

TPN 680/780

680

780

24

HSLA 700/780

700

780

25

DP 700/1000

700

1000

26

CP 750/900

750

900

27

TPN 750/900

750

900

28

DP 750/980

750

900

29

TRIP 750/980

750

980

30

TWIP 750/1000

750

1000

31

CP 800/1000

800

1000

32

DP 800/1180

800

1180

33

CP 850/1180

850

1180

34

MS 950/1200

950

1200

35

TWIP 950/1200

950

1200

36

CP 1000/1200

1000

1200

37

MS 1050/1470

1050

1470

38

CP1050/1470

1050

1470

39

HF 1050/1500

1050

1500

40

DP 1150/1270

1150

1270

41

MS 1150/1400

1150

1400

42

HF 1200/1900

1200

1900

43

MS 1250/1500

1250

1500

 


 三、分类

 

世界钢协根据研发历史及其特点,将AHSS钢分为三代:


(1)第一代AHSS钢以铁素体为基的AHSS钢的强塑积为15 GPa%以下,主要包括双相( DP)钢、多相( CP)钢和相变诱导塑性( TRIP)钢,铁素体贝氏体钢(FB/SF),马氏体钢(MS/PHS)、硼钢(HF);

 

(2)第二代AHSS钢以奥氏体为基的AHSS钢的强塑积为50 GPa%以上,主要包括奥氏体孪晶诱导塑性( TWIP) 钢(主要钢种)、诱导塑性轻钢(L-IP) 和剪切带强化(SIP)钢;

 

(3)第三代AHSS钢以马氏体、回火马氏体、亚微米晶/纳米晶组织或沉淀强化的高强度BCC组织,强塑积20 -40GPa%,主要包括TBF钢(TRIP Aided Bainitic Ferrite steels),中锰钢(medium Mn-Trip),Q&P钢(Quenching-Partitioning Steel)。第三代AHSS钢以“多相、亚稳、多尺度”为特征的组织调控理论的指导下,提出高强塑积第三代汽车钢的超细晶基体与亚稳相的组织调控思路,采用新型中锰合金化和逆转变奥氏体(ART)退火的技术思路。

 

1.jpg

先进高强钢的组织结构与性能关系分析总结

(上图阴影区域是第三代先进高强钢强塑积的研发目标,下图红色区域表明第三代先进高强钢要含有30%~40%的亚稳奥氏体含量)

 

第一代先进高强钢

 

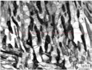
3.1 DP钢(Dual-Phase Steel)

 

3.1.1 显微组织(Microstructure)

 

DP钢的显微组织主要为铁素体和马氏体,马氏体组织以岛状弥散分布在铁素体基体上(如图2所示)。铁素体较软,使钢材具备较好的塑性。马氏体较硬,使钢材具备较高的强度。DP钢的强度随较硬的马氏体所占比例提高而增强。

640?wx_fmt=jpeg&wxfrom=5&wx_lazy=1&wx_co=1.jpg
DP钢的显微组织

 

3.1.2 性能特点

 

(1)屈强比较低(一般为0.5~0.65),不仅易于加工,而且具有仅次于TRIP钢的高延伸率;

 

(2)应变集中在低强度的铁素体相上,使其具有独特的高加工硬化率,尤其在低的应变区(2%~3%),屈服强度提高很快(140~220MPa);

 

(3)无屈服延伸,无时效;

 

(4)呈烘烤硬化特性(可达30~150MPa);

 

(5)良好地碰撞能量吸收性能。


3.1.3 应用

 

双相钢是先进高强度钢中应用最为广泛的一类钢种。如表2所示,可看出双相钢C级车上所应用部件的使用情况。双相钢最适用于结构件及其加强件,在外板上也有广泛的应用。双相钢在C级车上占到了整个结构用钢的74%左右。对于450/500MPa级别的双相钢常用于车门外板等外露件,比标准钢种的抗凹陷能力高20%,可有15%的减重潜能;而600/780/1000/1180MPa级别的双相钢则适用于生产各类结构件和安全部件,常见的部件有纵梁、横梁、车底十字构架、防撞加强构件、前翼构件、车轮等。


DP钢在汽车部件中典型应用

 

牌号

在汽车部件中的应用

DP 300/500

Roof outer, door outer, body  side outer, package tray, floor panel

DP 350/600

Floor panel, hood outer,  body side outer, cowl, fender, floor reinforcements

DP 500/800

Body  side inner, quarter panel inner, rear rails, rear shock reinforcements

DP 600/980

Safety  cage components (B-pillar, floor panel tunnel, engine cradle,

front sub-frame package  tray, shotgun, seat1)

DP 700/1000

Roof rails

DP 800/1180

B-pillar upper

 

3.1.4 缺点

 

双相钢的冲压回弹是该材料面临的最大挑战。由于冷轧双相钢的高强度级别,在冲压成形过程中,材料必然存在较大的内应力。成形完成从模具中取出时,材料的高内应力使零件很容易产生回弹,造成零件的扭曲与翘曲。


双相钢的冲压开裂则是另一个较大的挑战。开裂倾向主要是由于双相钢中的铁素体和马氏体两种相之间的力学性能差异巨大,成形过程中在两相的界面之间造成应力集中,从而引起界面间的开裂。


3.2 CP钢(Complex Phase steel)

 

3.2.1 显微组织

 

CP钢的显微组织以铁素体/贝氏体为基体,含有少量的马氏体、残余奥氏体以及珠光体。通过再结晶和Ti/Nb等微量元素形成的析出相达到细化晶粒的目的。

640?wx_fmt=jpeg&wxfrom=5&wx_lazy=1&wx_co=1.jpg
 CP 800/1000 热轧钢的显微组织

 

3.2.2 性能特点

 

CP钢具有非常高的抗拉强度,与同等抗拉强度的双相钢相比,其屈服强度明显要高很多,且有较高的能力吸收能力和较高的残余应变能力,扩孔性能好。


3.2.3 应用

 

CP钢在汽车部件中典型应用

 

牌号

在汽车部件中的应用

CP 600/900

Frame rails, B-pillar reinforcements

CP 680/780

Frame rails, chassis components, transverse beams

CP 750/900

B-pillar reinforcements, tunnel stiffener

CP 800/1000

Rear suspension brackets, fender beam

CP1000/1200

Rear frame rail reinforcements, rocker outer

CP1050/1470

Rocker panels, bumper beams

 

3.3 FB钢(Ferritic-Bainitic steel)

 

3.3.1 显微组织

 

FB钢的显微组织由铁素体和贝氏体组成。FB钢是过冷奥氏体在珠光体转变和马氏体转变之间的中温区域内发生的转变而形成。

640?wx_fmt=jpeg&wxfrom=5&wx_lazy=1&wx_co=1.jpg

FB450/600钢的显微组织


3.3.2 性能特点


FB钢具有良好地成型、焊接和疲劳性能。FB钢的最大特点是具有良好地延伸凸缘性(扩孔性能)。


3.3.3 应用


FB钢通常用于生产冲压大、中型车身覆盖件的激光对焊板坯或汽车底盘、车轮等载重件。


FB钢在汽车部件中的应用

4.jpg

3.4 相变诱导塑性钢(Transformation InducedPlasticity Steel,TRIP)


3.4.1 显微组织


TRIP钢的显微组织以铁素体为基体,残留奥氏体弥散分布在铁素体上,也存在马氏体和贝氏体。钢中组织的合理配比、残余奥氏体的稳定性决定了TRIP钢的力学性能。

640?wx_fmt=jpeg&wxfrom=5&wx_lazy=1&wx_co=1.jpg

TRIP 690钢的显微组织


3.4.2 TRIP效应


TRIP效应是TRIP钢在变形过程中,残余奥氏体转变为高强度的高碳马氏体,同时伴随着体积膨胀,因而抑制了塑性变形的不稳定,增加了均匀延伸的范围,故使得强度和塑性同时提高。


3.4.3 化学成分


TRIP钢的成分以C-Mn-Si合金为主,根据具体情况添加少量的Cr、V、Ni等合金元素。其成分特征是低碳、低合金化、钢质纯净。


TRIP钢中化学元素的作用

5.jpg

3.4.4 性能特点


成型性能:TRIP钢具有较高的平面应变特征点值,因此具有较好的极限变形能力;在双向拉伸变形区域,TRIP钢的安全成型度比DP钢高,所以相同强度级别下的TRIP钢的冲压成形性优于DP钢。


焊接性能:Si和Mn元素的加入使钢板的焊接性能下降。


撞吸特性:TRIP钢加工硬化速率变化较平缓,随应变呈线性下降趋势,因此在大变形阶段,TRIP钢的吸能特性显著。


3.4.5 应用


TRIP钢应用于防撞结构件。


TRIP钢在汽车部件中典型应用

微信截图_20220628134053.jpg

3.5 马氏体钢(Martensitic Steel)


3.5.1 显微组织


MS钢的显微组织以马氏体为基体,少量的铁素体或贝氏体弥散分布其中。马氏体组织通过高温奥氏体组织经热轧或冷轧连续退火后淬火形成,具有非常高的强度。

640?wx_fmt=jpeg&wxfrom=5&wx_lazy=1&wx_co=1.jpg

马氏体钢的显微组织


3.5.2 性能特点


马氏体钢具有非常高的强度,抗拉强度极限达到了1700MPa。马氏体钢经等温回火处理后可得到很好的成形性。


低碳马氏体钢具有良好地强度、塑性、韧性以及低的品奥倾向,同时还具有较低的缺口敏感性,过热敏感性、优良的冷加工性、良好地可焊性而且热处理变形较小等一系列的优点。


3.5.3 应用


马氏体高强钢在汽车领域主要应用于成形性要求不高的零件部分,如汽车前后左右门的防撞杆,A、B、C柱加强板,下边地板通道,车顶加强梁等。


MS钢在汽车部件中的应用

6.jpg

3.6 硼钢(Boronbased hot-forming steel)


3.6.1 显微组织


热成形钢的原始显微组织通常为铁素体加珠光体组织,以及少量的碳化物颗粒和贝氏体组织。热成形后,显微组织主要为全马氏体组织,以及少量的铁素体、贝氏体或残余奥氏体存在。


3.6.2 热成形工艺原理


首先把常温下强度为500~600MPa的高强度硼合金钢板加热到880~950℃,使之均匀奥氏体化,然后送入内部带有冷却系统的模具内冲压成型,之后保压快速冷却淬火,使奥氏体转变成马氏体,成形件因而得到强化硬化,强度大幅度提高。该工艺被称为“冲压硬化”技术,分为直接工艺和间接工艺,两种工艺大致相同。


3.6.3 化学成分


热成形中使用最广泛的22MnB5材料是一种低碳微合金含硼钢,含有少量Ti、Cr、Mo、Cu、Ni等合金元素。


B元素可显著提高钢的淬透性,有利于获得高强度的全马氏体组织,添加量一般为15~30 μg/g。B元素还可以提高过冷奥氏体的稳定性,降低珠光体和贝氏体的转变速率,使过冷傲实体等温转变曲线右移,避免铁素体和珠光体的形成。B元素主要通过奥氏体化时在晶界的偏析来影响铁素体形核,从而提高钢的强度。


3.6.4 性能特点


热成形钢屈服强度≥1000MPa,抗拉强度≥1500 MPa,断后伸长率≥5%,强度、硬度高、耐磨性好,具有极高的减重潜力、高碰撞吸收能力、高疲劳强度、高成形性等优势。


3.6.5 应用


热成形钢被广泛用于车身骨架的关键部位,例如A、B、C柱,车门防撞梁等安全关键部位。


第二代先进高强钢


3.7 孪晶诱导塑性钢(Twinning Induced Plasticity,TWIP)


3.7.1 显微组织


TWIP钢的显微组织为单一的奥氏体组织和少量退火孪晶组织。

640?wx_fmt=jpeg&wxfrom=5&wx_lazy=1&wx_co=1.jpg

 经退火的TWIP钢的显微组织


3.7.2 变形机制


在外力的作用下,TWIP钢的变形主要以孪生方式进行,这是因为对于低层错能的奥氏体晶粒,微小的变形就能使其内部产生大量的位错与层错缺陷,在切应力作用下位错源所产生的大量位错沿滑移面运动时遇到了障碍,位错被钉扎造成位错的塞积和缠结,随着应力的增大位错不断堆集,应力集中愈来愈大,滑移系很难再滑移运动,不能再通过滑移方式来继续塑性变形,当应力集中在孪生方向达到临界应力值时,晶体就开始进行孪晶变形。


随着应变量的增加,材料的显微组织中出现大量的高密度形变孪晶,并产生二次孪晶。初生孪晶与次生孪晶交互穿越、切割基体,增加运动的障碍,起到了细化晶粒的作用,极大提高了TWIP钢的强度。高应变区首先形成的孪晶界阻碍了该区滑移的进行,促使其它应变较低区域通过滑移进行形变直至孪晶的形成,这使试样发生均匀变形,显著推迟了缩颈的产生。同时对位错运动的阻碍也在一定程度上减少了加工硬化现象的发生,也使塑性变形能够持续进行,获得更大的延伸效果。图10为TWIP钢应力-应变曲线,其中存在的两种主要的形变机制。

640?wx_fmt=jpeg&wxfrom=5&wx_lazy=1&wx_co=1.jpg

TWIP钢应力-应变曲线中两种主要的形变机制


3.7.3 化学成分


TWIP钢的Mn含量很高(17~24%),并含有少量C (<1 %), Si (<3%)或 Al (<3 %)。


TWIP钢中化学元素的作用

7.jpg

3.7.4 性能特点


TWIP钢不仅展现出奥氏体钢所具有良好的耐磨性和耐蚀性,而且在塑性变形的过程中表现出卓越的延展性、较高的强度和良好的成形性;同时具有高的能量吸收能力(是传统高强钢的2倍)。


3.7.5 应用


TWIP钢用于改善汽车的碰撞安全性能;极高的翻边成形性能,使之更容易制造出复杂形状的零件。


表8  TWIP钢在汽车部件中的应用

8.jpg

 

3.8 L-IP钢(Light-Induced Plasticity Steel,诱导塑性轻钢)


在《Advanced High Strength Steels》(P369)定义L-IP钢为carbon-free TWIP steels,即无碳或超低碳TWIP钢,其中以Fe-Mn-Si-Al系为代表,其中Mn含量为25%~30%,Si含量为2%~4%,Al含量为2%~4%。


碳是奥氏体化稳定化元素,能显著提高TWIP钢的合金系的层错能有利于TWIP效应。碳含量较高时会引起钢板焊接时的冷裂纹倾向,降低了材料的可焊接性病降低了HAZ韧性,此外中高碳含量的TWIP钢中不可避免地出现大量的碳化物,显著降低材料的塑、韧性。


因此L-IP钢的思路是以少量的强度降低为代价,改善TWIP的焊接问题。而为了保证TWIP效应,在无低碳或者超低碳TWIP钢中通常会加入一定量的Si、Al元素,除调节合金系的层错能外,还可以强化奥氏体基体。


L-IP钢的显微组织为全奥氏体组织。


近年来的研究表明,超低碳钢和无碳双相高锰TWIP钢塑性变形时同时会或相继发生TRIP和TWIP效应,兼具高强度和良好塑性。

室温下不同化学成分Fe-Mn-Al-Si TWIP钢的力学性能


3.9 SIP钢(Shear Band Induced Plasticity steel,剪切带强化钢)


高锰钢的变形机制根据堆垛层错能(SFE)和相变的吉布斯自由能(△G)不同,可分为马氏体相变、应变诱发相变(TRIP效应)、应变诱发孪晶(TWIP效应)和位错滑移。变形机制如图所示。

640?wx_fmt=jpeg&wxfrom=5&wx_lazy=1&wx_co=1.jpg

不同合金成分和温度下高锰钢变形机制随层错能的转变图


在Fe-Mn-Al-C系钢中,随着Al的大量添加,钢的层错能很高(~100 mJ/m2),在变形时不发生马氏体相变,也不发生机械孪生,而是出现大量均匀的剪切带,剪切变形对总的塑性有重要贡献,因此被称为剪切带诱发塑性(Shear BandInduced Plasticity),简称SIP效应。因此这类钢也被称为SIP钢。


这类钢的另一个特点是在奥氏体基体上均匀分布着纳米级碳化物,其间距很小,并与奥氏体基体共格,同时钢中还有5%~15%的铁素体。


SIP钢具有优良的成形性和抗碰撞性能,且密度仅为6.5~7g/cm3,减重效果好。


第三代先进高强钢


3.10 TBF钢(TRIP Aided Bainitic Ferrite steels)


TBF钢为相变诱导塑性铁贝氏体素体钢,也称为Carbide-free bainitic steels(无碳化物贝氏体钢),TRIP with bainitic matrix(贝氏体基相变诱导塑性钢)或super-bainitic TRIP(超级贝氏体基相变诱导塑性钢)。


3.10.1显微组织


TBF钢的组织特征是精细规整的无碳化物贝氏体铁素体板条束、分布在贝氏体铁素体基体上板条束间的薄膜状残余奥氏体与块状残余奥氏体,同时也存在有非常少量的回火马氏体。

640?wx_fmt=jpeg&wxfrom=5&wx_lazy=1&wx_co=1.jpg

TBF钢的SEM显微照片

(F–先共析铁素体,B–无碳化物贝氏体,A–残余奥氏体)


3.10.2性能特点


TBF钢中有亚稳态残余奥氏体(体积分数约为10%-30%)的存在,不仅具有较好的超高强度和塑性匹配,而且具有较高的疲劳强度、较好的冲击性能,翻边扩孔性能和抗氢脆性能。


设计目标:屈服强度达1.5GPa以上,抗拉强度达1.77~2.2GPa,断后伸长率达15%。


3.10.3化学成分


TBF钢中的C元素为0.2~0.4%。


TBF钢中化学元素的作用

bbfdvxc.jpg

3.10.4应用


如图所示。

640?wx_fmt=jpeg&wxfrom=5&wx_lazy=1&wx_co=1.jpg

ArcelorMittal的TBF钢使用示例


3.11 Q&P钢(Quenching-Partitioning Steel)


3.11.1 显微组织


Q&P钢的显微组织为贫碳的板条马氏体和氟碳的残余奥氏体(5~15%)。马氏体组织保证了钢的强度,残留奥氏体在变形过程中发生相变诱发塑性,从而提高钢的塑性。

640?wx_fmt=jpeg&wxfrom=5&wx_lazy=1&wx_co=1.jpg

Q&P钢的显微组织


3.11.2 性能特点


Q&P钢具有较高的屈强比(YS/TS)、高强度和较高延伸率的新钢种,设计抗拉强度为800~1500MPa,伸长率15%~40%。


3.11.3 淬火配分工艺


设计思路:通过碳的配分,实现奥氏体富碳,从而稳定奥氏体。然后,利用室温下奥氏体的TIRP效应获得相对高塑性。


淬火配分工艺首先将钢材加热到Ac3以上的某一温度,使其完全奥氏体化,该温度称之为奥氏体化温度AT,然后以大于马氏体转变临界冷速淬火到Ms和Mf之间的某一温度QT,形成马氏体和残余奥氏体的混合组织;接着升温到低于Ms的配分温度PT保温一定时间,使碳元素从过饱和马氏体中的碳扩散到残余奥氏体中,增加奥氏体稳定性,从而在随后的淬火过程中保留至室温。

640?wx_fmt=jpeg&wxfrom=5&wx_lazy=1&wx_co=1.jpg

Q&P工艺和组织演变示意图


3.12 中锰钢(Medium Mn-Trip)


3.12.1显微组织


中锰钢ART钢的显微组织为马氏体或回火马氏体基体上含有大量片状残留奥氏体或超细铁素体。

640?wx_fmt=jpeg&wxfrom=5&wx_lazy=1&wx_co=1.jpg

中锰ART钢的显微组织


3.12.2奥氏体逆转变方法(Austenite reverted transformation, ART)


ART工艺首先将钢淬火得到淬火马氏体,然后在铁素体+奥氏体两相区保温退火获得逆生奥氏体,并伴随溶质元素在奥氏体中的富集及再配分活动,使残余奥氏体稳定性提高保留到室温。


3.12.3化学成分


由于提高钢中亚稳奥氏体的含量是提高钢的强塑积的关键因素,因此需要提高亚稳奥氏体的含量。


Mn元素可扩大奥氏体相区且有效促进奥氏体的形成及组织超细化。因此Mn元素的置换扩散与配分和奥氏体逆转变是最终以多相和亚微米尺度的超细基体为特点的体心立方(BCC)的铁素体组织与面心立方(FCC)残余奥氏体复合组织的关键。


实验研究的中锰钢的成分设计为C的质量分数为0.15%-0.60%,Mn的质量分数为4%-10%,部分研究人员在中锰钢中加入了Si、Al,二者的质量分数基本控制在1.5%-3.0%范围内。此外,少数研究中添加了Mo和微合金化元素V,旨在提高晶界强度和细化基体晶粒尺寸。


四、先进高强钢的发展趋势及研究热点


下一代先进高强钢的开发应具备如下条件:低碳(高的焊接性)、低成本(低合金量的添加)、高成形性、易于装备和维修。今后材料的设计开发,应从全流程的角度来考虑。需求会促进相关技术的进步,技术的进步同样会刺激需求的提高。对于下一步先进高强钢的发展方向和研究议题,在大学和科研院所等机构提出如下研究领域:

先进高强钢的微观组织和机械性能;

先进高强钢的碳扩散过程;

先进高强钢的粒子尺寸及界面效应;

先进高强钢中纳米针状铁素体型双相钢;

高强高塑贝氏体钢;

先进高强钢的成形及回弹行为;

先进高强钢的响应模型。


参考文献:


1、《Advanced High-Strength Steels Application Guidelines Version 6.0》;


2、《Advanced High Strenght Sheet Steels-Physical Metallurgy, Design, Processing and  Properties》(2015);


3、国内外期刊及学位论文若干;


 

4、网页资料整理。

免责声明:本网站所转载的文字、图片与视频资料版权归原创作者所有,如果涉及侵权,请第一时间联系本网删除。