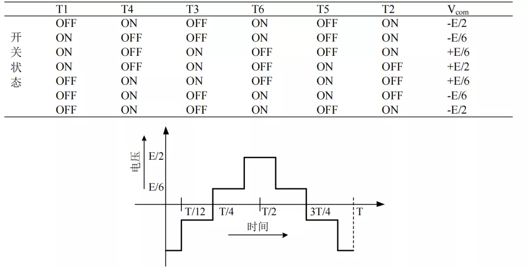
在前几期文章现代E-GMP-驱动电机那些事(续)中,我们提到了电机中性点。今天我们来谈谈与电机中性点相关的其他问题—电机轴承电腐蚀。

早在驱动电机轴承电腐蚀原罪—趋肤效应文中,轴承电腐蚀也有部分提及。

壹 共模电压
谈到电机轴承电腐蚀,首先要提到的就是共模电压,因为,在逆变器供电的电机系统中,电机的轴电压和轴承电流的根源在于电机的共模电压。那么,什么是共模电压呢?百度百科的解释如下
为了更好的理解,我们先来看下现在三相驱动电机PWM变频控制。

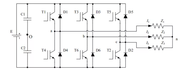
逆变器通过上下桥臂的开关管组合开通、关断,使逆变器输出侧输出一系列等幅不等宽的脉冲电压来等效为正弦交流电。关于如何将电池的直流电转换成驱动电机的交流电,可关注绿芯之友—直流变交流!轻松看懂逆变器工作原理。
在传统三相交流供电电机系统中,定子绕组接三相对称电源,定子绕组中性点电压为零;而在PWM变频供电电机系统中,任意时刻电机定子绕组中性点电压不为零。

不为零的中性点对地电压,就是我们所说的电机共模电压。也就是说在PWM变频系统中,电机共模电压是一直存在的,共模电压的幅值大小与母线电压成正比,而其频率与变频器的载波频率有关。
贰 轴承电腐蚀
简单了解完共模电压,我们就要来聊聊本文的主题-电机轴承电腐蚀。轴承电腐蚀并不是一个最近才存在的问题,早在 20世纪初期就已经被认识。近些年,随着乘用车电机功率、尺寸增大,轴承电腐蚀问题日益严重。在经历了100多年的发展,轴承电腐蚀理论也在不断的被完善。电机轴承电腐蚀机理可概况如下,根源还是上述所说的PWM导致的共模电压。

贰 容性轴电压
容性轴电压也被称为镜像轴电压。如果轴承油膜是完好的,那么轴承处会镜像一个共模电压(轴承处于共模串并联电路中一环,等比例分压)。轴承共模电压峰值/电机共模电压峰值定义为轴承分压比BVR。随着平台电压的升高,BVR会不断增大。

电机从某种角度来说是个很大的电容。一方面,定子绕组分布在定子槽内(铜线表面本身有绝缘材料),通过槽绝缘与定子铁芯隔开;另外一方面,定子铁心与转子之间通过气隙隔开。

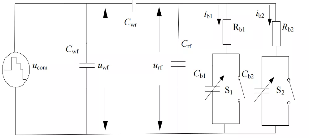
电机内部主要电容如下。需要注意的是,在接地的情况下,电机壳体电位为0,因此定子铁芯电位也为0。
Cwf-绕组与定子间的电容
Cwr-绕组与转子间的电容
Crf-绕组与转子间的电容
Crf-绕组与转子间的电容
Cb-轴承的电容
因此,因寄生电容产生的轴电压回路可简化如下,这也可以更好的理解为什么是容性电压被称为镜像电压的原因

前面谈到,镜像电压的前提是轴承油膜是完好的。无论是脂润滑轴承还是油润滑轴承,如果油膜绝缘功能未失效,即使轴电压很高,容性轴电流并不会产生。当油膜失效后,电压才会产生电流,继而导致轴承电腐蚀失效。
三 高频感应轴电压
共模电压产生容性轴电压的同时,还会产生高频感应轴电压。共模电压产生共模电流,共模电流产生共模磁通,通过磁通产生感应电动势,即感应轴电压。共模电流的流通路径:通过定子绕组进入电机,流经定子硅钢片叠片,由电机外壳接地流出。电机共模电流也被称为接地电流,共模电流简易公式:i=C*(dv/dt)。

当电机转速较低时,油膜绝缘尚未完全建立,感应轴电压产生环路轴承电流;当电机转速较高时,运行较长时间或者轴承温度较高后,油膜润滑性及绝缘性能下降,感应轴电压也会产生环路轴承电流。这两种情况下环路轴承电流将取代放电轴承电流成为轴承电流的主要成分。研究表明:环路轴承电流被证明只和共模电流有关。

肆 总结
寄生电容产生的容性电压在生活中较为普遍。比如,变频器柜体(接地不良)在运行的过程中,触摸会有轻微触电感觉(人体触摸,相当于系统通过人体导电)。
当一个轴承内产生放电轴承电流时,另一个轴承也会成为放电路径,但是电流值很小。
轴电压由容性电压和共模电流感应电压组成,母线电压只影响容性电压,dv/dt影响感应电压。
低转速时,轴承油膜并完全建立,此时轴电压较小。
变频器的载波频率即开关频率的增加,对电机电容以及共模电压dv/dt没有影响。只是改变了共模电流的脉冲“个数”,每个脉冲的峰值不变。因此开关频率并不会直接改变轴电压峰值,但是会增加失效风险。
同理,逆变器关断延迟和死区时间,对轴电压峰值也没有直接影响。
在母线电压不变的情况下,轴电压受工况影响较大(工况影响dv/dt)。
轴承电腐蚀是一个系统性的工作,涉及逆变器、电机、轴承、系统润滑等方面。目前量产解决方案相对丰富,本文不再进行拓展,有兴趣欢迎私信交流。
免责声明:本网站所转载的文字、图片与视频资料版权归原创作者所有,如果涉及侵权,请第一时间联系本网删除。
官方微信
《中国腐蚀与防护网电子期刊》征订启事
- 投稿联系:编辑部
- 电话:010-62316606-806
- 邮箱:fsfhzy666@163.com
- 中国腐蚀与防护网官方QQ群:140808414



