朋友前几天在朋友圈发了几张照片
成功引起了我的注意



没错,就是上面这几张
也许别人看到的是浪漫的环境
但是我一眼就看到了那BlingBling的材料——泡沫铝
毕竟作为21世纪最具潜力新材料,想不引起人注意真是太难了~
所以今天就让它作为主角闪亮登场吧~

泡沫铝简介
泡沫铝又名发泡铝,是在纯铝或铝合金中加入添加剂后,经过发泡工艺而成,同时兼有金属和气泡特征,是一种全新型战略功能结构材料,具有密度小、高吸收冲击能力强、耐高温耐候性强、有过滤能力、易加工安装、成形精度高等优势,还可进行表面涂装。


泡沫铝发展历程

泡沫铝性能
超轻性
密度为0.2~0.4g/cm3,约为铝密度的1/10,钛密度的1/20,钢密度的1/30,钢密度的1/30,以及木材密度的1/3。
吸音性
泡沫铝可以通过气孔壁的振动来吸收声音的能量,用来消声。去除噪声。
耐热性
具有较高的耐热性,一般铝合金的溶解温度在560·700℃左右,单泡沫铝即使加热到1400℃也不溶解,而且在高温下不释放有害气体。
电磁波屏蔽性
泡沫铝对高频电磁波有良好的屏蔽左右,能够使电磁干扰降低80%以上。
泡沫铝特点
泡沫铝有单面开孔,双面开孔,闭孔,更有大孔径、中孔径、小孔径及自然铸造表面,所以选择范围更宽,应用更广泛。
那么我们现在重点来说一下:
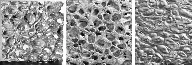
不同孔径的泡沫铝有什么特点呢?


▲大孔径泡沫铝,依次双面开孔、单面开孔、自然铸造形态
▲中孔径泡沫铝,左图双面开孔或单面开孔,右图自然铸造形态

▲小孔径泡沫铝,左图双面开孔或单面开孔,右图自然铸造形态
泡沫铝板的标准大小为1220mm x 2440mm,其他尺寸也可定制。
据了解,泡沫铝的性能主要取决于分布在三维骨架间的孔隙特征,即气孔的形态和分布,包括孔的类型 (通孔或闭孔)、孔的形状、孔的分布、孔的结构(孔径、孔隙率、比重等)。
比如:一般孔隙率越高,孔径越小,越利于吸声;相对密度相同时,孔径小的拉伸强度比孔径大的高;密度增加,抗压强度增加。
所以,可以根据不同的空间需求选择合适大小孔径的泡沫铝也是比较重要的。
大孔径案例▼



——纽约911 Memorial Library
中孔径案例▼



——智利 钟楼
小孔径案例▼


——日本 Theory Retail Store
你以为泡沫铝就是简单的高级灰吗?
那就必须看一下泡沫铝板的喷涂效果
(前面那些案例都用的是泡沫铝本真的颜色)
泡沫铝,能够涂成其他丰富色彩、或者具有如石质、木材等材料的式样,可以采用任意设计,来作为建筑物内外和其他的装饰材料,真可谓是内外兼修啊~
泡沫铝安装
泡沫铝材料的安装比较简单方便:
墙面安装步骤建议:干挂→主龙骨→副龙骨→挂板或自攻钉结合胶粘→主龙骨→副龙骨→粘胶(根据气候条件和挡风设计选择干挂或者胶粘);
因泡沫铝板很轻,吊顶安装可随意设计胶粘、工字吊、磁吸,非常简单。
在建筑方面,泡沫铝的应用也是越来越广泛,包括外表墙面覆盖层、内部墙面覆盖层、吊顶板、地板和楼梯、灯光效果、室内创意装饰、建筑标识、展览陈列等等方面都有涉及。


不得不说,泡沫铝用于建筑,的确是一种很独特和充满魅力的材料!
不仅如此,泡沫铝在军工行业,建筑行业,航空航天行业,机械制造行业,汽车制造行业等都有较多的应用。
免责声明:本网站所转载的文字、图片与视频资料版权归原创作者所有,如果涉及侵权,请第一时间联系本网删除。
官方微信
《中国腐蚀与防护网电子期刊》征订启事
- 投稿联系:编辑部
- 电话:010-62316606-806
- 邮箱:fsfhzy666@163.com
- 中国腐蚀与防护网官方QQ群:140808414



