部分其他优秀作品

【31张群】所示OM照片为铸态双相Mg-8Li-3Al合金金相显微组织。浅色相为α-Mg相(Li在Mg中的固溶体),深色相为β-Li相(Mg在Li中的固溶体)。可见α-Mg相包括树枝状及球状两种形态,β-Li相中出现絮状及块状析出相。

【32张靖】镁合金成材料(Mg-6Al-4Ca-4Nd),铸态组织SEM图,可以清楚看清合金元素形成机理。

【33孙少龙】禾本科植物中木质素组分在热水处理过程的溶出形态。ZEISS EVO 18 扫描电子显微镜。选用禾本科植物,使其在热水处理后,利用电子显微镜观察禾本科植物表面木质素的溶出形态,可以看出木质素从生物质中溶出且形成小球状,并且尺寸大小不一,这将对于木质素的结构研究以及利用提供一定的理论基础。本图片已于2015年出版在SCI一区top期刊biotechnology for biofuels,最新影响因子为6.044,各审稿人给予了高度评价。

【34刘鹏鹏】仪器为ZEISS扫描电子显微镜;作品为铝合金,内容为疏松里的枝晶。

【35刘鹏鹏】仪器为ZEISS扫描电子显微镜;作品为65Mn弹簧钢,内容为针状锈,勾勒出小刺猬的。

【36魏娴】材料介绍:铝青铜。仪器:光学显微镜。作品描述:铝青铜固溶时效后形成β′马氏体针状组织,放大500倍后,好似天使的羽毛。

【37李程】我的作品原材料是纯镁,通过打磨抛光后,再通过电解抛光,用酒精清洗一下,烘干。在体视显微镜的175倍率下得到的。该作品也是偶然得到的,一条条线像银河,那是晶粒之间的界线,许多亮点似众多的繁星,可能是被电解过留下的腐蚀小斑点。整个图片就像一片迷人的星空。

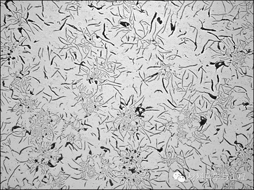
【38韩晓乾】材料:灰铸铁。未浸蚀抛光态。处理情况:铸态。检测仪器:LEICA光学显微镜。组织说明:B型石墨,中心为点状,周围向外辐射弯曲的片状,形如菊花。这是近共晶或共晶成分的铁液在较大过冷度下形成的。由于过冷度较大,先析出花心部位的点状石墨,初晶产物形成释放出结晶潜热,使花心周围钢液的冷速减慢,从而形成向外伸展的弯曲石墨片。

【39刘成龙】材料是铝材,表面经阳极氧化2h,铬酸处理30s。仪器是SEM,作品描述:铝材表面是阳极氧化之后的致密氧化铝,抗腐蚀能力超强。看看材料表面来了一群小燕子!

【40刘成龙】材料是铜材,表面长银实验。仪器是SEM。作品描述:我在铜材表面种了一棵银子做树。
免责声明:本网站所转载的文字、图片与视频资料版权归原创作者所有,如果涉及侵权,请第一时间联系本网删除。
官方微信
《中国腐蚀与防护网电子期刊》征订启事
- 投稿联系:编辑部
- 电话:010-62316606-806
- 邮箱:fsfhzy666@163.com
- 中国腐蚀与防护网官方QQ群:140808414



