1. 引言
某汽车配件生产公司的发动机缸盖,材质为AlSi6Cu4铸铝,发动机缸盖在使用过程中,在火花塞孔位置发生开裂现象,造成油水混合。
2. 试验与结果
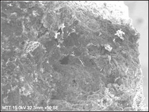
2.1 外观检查
通过肉眼可清晰观察裂纹起源于火花塞孔边缘,向两侧扩展,裂纹形貌呈波浪形。

图1 失效样品外观
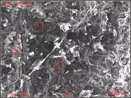
2.2 断口分析
断口表面呈严重氧化色,且起源区可观察到尺寸较大的沙孔;通过EDS分析各个不同形貌的位置,发现各个位置的成分有较大差异,Cu、Si、Fe、Mn等合金元素存在不同程度的偏析。

图2 分解后的裂纹形貌

图3 裂纹起源区

图4 起源区高倍形貌1

图5 起源区高倍形貌2

图6 EDS测试位置图
表1EDS测试结果

2.3 金相分析
从金相观察图可知,心部存在较多沙孔(黑色),断口位置与心部位置组织均为白色枝晶状α固溶体+灰色块状共晶Si+淡灰色Al2Cu+黑色的β相,晶界析出第二相约占总面积的30%,且含有较多 Al2Cu和β相,存在组织偏析现象。

图7 断口位置金相图1

图8 断口位置金相图2

图9 心部位置金相图1

图10 心部位置金相图2
3. 结论
缸盖内部存在较多沙孔气孔,且大量的第二相组织沿晶界析出,在受力条件下从易应力集中的火花塞孔边缘的气孔起源,裂纹沿偏析的第二相晶界扩展,最终导致油水互渗。
更多关于材料方面、材料腐蚀控制、材料科普等方面的国内外最新动态,我们网站会不断更新。希望大家一直关注中国腐蚀与防护网http://www.ecorr.org
责任编辑:庞雪洁
免责声明:本网站所转载的文字、图片与视频资料版权归原创作者所有,如果涉及侵权,请第一时间联系本网删除。
相关文章
官方微信
《腐蚀与防护网电子期刊》征订启事
- 投稿联系:编辑部
- 电话:010-62316606-806
- 邮箱:fsfhzy666@163.com
- 腐蚀与防护网官方QQ群:140808414
点击排行
PPT新闻
“海洋金属”——钛合金在舰船的
点击数:8135
腐蚀与“海上丝绸之路”
点击数:6475



