背景情况
某公司一台回收N-甲基吡咯烷酮(NMP)的立式固定管板式换热器投运不满2个月,管束中间部位管子发生泄漏,管子泄漏段处于上管板管孔内。
该换热器换热管与管板材料均为0Cr18Ni9不锈钢,换热器内径700mm,管板厚35mm,换热管规格φ25mm×2.5mm,长3.0m,管板与换热管采用焊接连接。换热管管外壳程为循环冷却水;管内介质为NMP,其沸点为203℃。
理化检验
1.宏观分析
抽出泄漏的换热管,可见上管板管孔内的一段有环状裂纹,如见图1a)所示。沿开裂处将换热管打开,可见断口无明显减薄和塑性变形,断口呈灰黑色,表面有腐蚀产物,部分位置呈现亮色新断特征,如图1b)所示。

图1 失效换热管环状裂纹及断口宏观形貌
2.换热管材料化学成分分析
在失效换热管管孔以外管段取样进行化学成分分析,结果见表1,可见各元素含量均符合GB/T 13296-2007《锅炉 热交换器用不锈钢无缝管》对0Cr18Ni9不锈钢成分的技术要求。
表1 换热管材料的化学成分(质量分数)

3.循环冷却水成分分析
在换热器循环回水总管取样口处取壳程循环冷却水(即管外介质)进行成分分析,结果见表2,可见壳程循环冷却水中的氯离子含量较高,酚酞碱度为0.1mmol/L,说明OH-含量很低或基本没有。
表2 失效换热器壳程介质的成分分析结果

4.断口截面金相分析
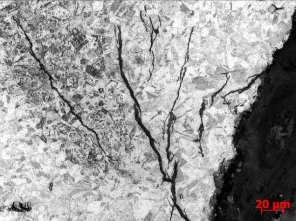
在泄漏点附近取样进行金相分析,该部位显微组织为单相奥氏体,孪晶较多,晶粒均匀,晶粒度为8~9级,如图2所示。观察面上存在较多的二次裂纹,裂纹细长呈树枝状,尖端锐利,裂纹的扩展方式以穿晶为主,呈现应力腐蚀开裂特征,如图3所示。

图2 换热管显微组织形貌

图3 断口处的二次裂纹形貌
5.断口扫描电镜及能谱分析
使用扫描电镜(SEM)对换热管断口进行观察,发现两个裂纹源,均位于管子外表面。如图4a)~c)所示。在扩展区和终断区可见明显的河流状花样,呈解理断裂的特征,如图4d)所示。

图4 换热管断口SEM形貌
对断口裂纹源区进行能谱(EDS)分析,检测到除了基体元素外,还存在Cl、S等奥氏体不锈钢应力腐蚀敏感的元素成分,如图5所示。

图5 断口裂纹源区能谱分析结果
分析与讨论
1.循环冷却水中Cl-影响
奥氏体型不锈钢对氯离子的应力腐蚀非常敏感,少量的氯离子就有可能导致奥氏体不锈钢的应力腐蚀开裂。
一般随氯离子含量升高,奥氏体不锈钢发生应力腐蚀开裂的敏感性增加。有研究表明低硬度循环水环境下,氯离子浓度达300mg/L左右时,0Cr18Ni9不锈钢的应力腐蚀敏感性较高,应力腐蚀发展较快。
该失效换热器,其循环回水总管中水的氯离子含量高达395mg/L。该换热器裂纹发生在换热管进口端,换热管与上管板结合处管壁温度较高,加上隙缝内水流动不畅,易发生水汽化浓缩,氯离子进一步富集,因而该处为应力腐蚀敏感区。
2.换热管应力影响
换热器在制造换热管管口与管板焊接后没有进行热处理,这使换热管存在一定的残余应力。NMP蒸气由上部接管进入换热管,运行过程中换热管入口处NMP蒸气温度超过200℃;而换热器壳程循环冷却水出水温度低于70℃。因此,换热管在上管板厚度段的温差变化较大,这会产生一定的热应力。
3.材料及加工因素影响
该换热器换热管与管板材质均为0Cr18Ni9不锈钢,为应力腐蚀敏感材质。管板与换热管焊接连接时,连续作业可能会造成管板与换热管结合段散热不充分,中心区局部温度较高,造成奥氏体不锈钢的轻微敏化。由于尺寸较大、结构复杂,焊后热处理难以控制,该换热管管口与管板焊接后没有进行焊后热处理。敏化状态下的奥氏体不锈钢处于高氯离子含量的循环水中,极易发生应力腐蚀开裂。该换热器管束发生泄漏的管子,正好是中心区管板结合段。
4.温度因素
温度是影响化学反应速率的重要因素。在氯离子和拉应力存在的情况下,温度较低时,奥氏体不锈钢应力腐蚀不明显;温度升高,其应力腐蚀速率加快。
有研究发现,轻度敏化的0Cr18Ni9不锈钢在0.2mg/L溶解氧的水中,200℃温度区间时应力腐蚀速率达到峰值。该失效换热器换热管进口处NMP温度超过203℃,处于应力腐蚀的敏感温度区;热端循环冷却水出水溶解氧含量检测值超过0.5mg/L,说明换热器内与换热管接触的循环水溶解氧含量较高,对应力腐蚀的发生也有一定的促进作用。该换热器换热管腐蚀开裂段正是处于上管板管孔内温度较高的一段,而其他部位未发现腐蚀开裂问题。
结论与建议
该换热器换热管材料为0Cr18Ni9不锈钢,为应力腐蚀敏感材质,其腐蚀开裂与氯离子浓度、换热管制造安装的残余应力及运行形成的温差热应力、热端高温环境的诱导作用、以及焊接加工可能造成的材料轻度敏化有关。其中,氯离子浓度和温度因素是0Cr18Ni9不锈钢换热管应力腐蚀开裂的主要因素。
建议改善制造工艺,防止材料局部温度过高,并采取适宜的方案进行焊后热处理降低应力;运行中,应加强循环水处理,控制循环水进水氯离子含量符合要求,并采用适宜的缓蚀阻垢剂,提高换热管对氯离子浓度的耐蚀能力,控制腐蚀和结垢。
更多关于材料方面、材料腐蚀控制、材料科普等方面的国内外最新动态,我们网站会不断更新。希望大家一直关注中国腐蚀与防护网http://www.ecorr.org
责任编辑:王元
《中国腐蚀与防护网电子期刊》征订启事
投稿联系:编辑部
电话:010-62313558-806
邮箱:fsfhzy666@163.com
中国腐蚀与防护网官方 QQ群:140808414
免责声明:本网站所转载的文字、图片与视频资料版权归原创作者所有,如果涉及侵权,请第一时间联系本网删除。
-
标签: 0Cr18Ni9不锈钢换热管, 应力腐蚀, 开裂, 理化检验, 建议
官方微信
《中国腐蚀与防护网电子期刊》征订启事
- 投稿联系:编辑部
- 电话:010-62313558-806
- 邮箱:fsfhzy666@163.com
- 中国腐蚀与防护网官方QQ群:140808414



