氢辅助材料损伤是金属结构失效的一个主要原因,已被研究超过一个世纪,但其微观机制仍未完全阐明。双相不锈钢(Duplex Stainless Steel, DSS)因其高强度和优异耐腐蚀性而广泛应用于石油化工、海上结构和油田等领域。然而,在氢环境中,DSS可能吸收氢,导致氢辅助裂纹(Hydrogen Assisted Cracking, HAC)和氢脆等失效问题。本研究聚焦于使用氘(氢的同位素)模拟氢行为,以揭示其在DSS微结构中的渗透和分布规律。
该论文发表于《Scientific Reports》(2016年),作者为O. Sobol、F. Straub、Th. Wirth、G. Holzlechner、Th. Boellinghaus和W. E. S. Unger,隶属于德国联邦材料研究与测试研究所(BAM)。研究通过in-situ实验提供了对氘在DSS中运输的直接观察,支持了氢脆机制的进一步理解。
实验方法
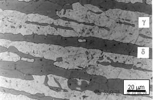
实验采用了一种in-situ设计:在ToF-SIMS(飞行时间二次离子质谱)仪器的超高真空腔室内安装了一个DSS制成的渗透电解池,该电解池由2205级DSS(UNS S31803,铁素体含量51%)加工而成,膜厚0.5 mm。内表面通过电化学充电引入氘(电解液为0.05 M D₂SO₄ + 0.01 M NaAsO₂,电流密度10 mA·cm⁻²),外表面暴露于真空并被ToF-SIMS成像。使用氘是为了区分实验引入的氢与背景氢。
ToF-SIMS分析使用25 keV Bi⁺初级离子束,分析区域为100×100 µm²,分辨率约250 nm。充电持续37天,直至饱和。数据处理采用主成分分析(PCA),预处理包括归一化、Poisson缩放和均值中心化。正离子模式用于相识别(基于Ni⁺、Mn⁺、Fe⁺等),负离子模式用于氘分布可视化(基于D⁻、OD⁻、CN₂HD⁻等)。
主要结果
实验结果显示,氘在铁素体相中的渗透速度显著高于奥氏体相。首次检测到氘需充电28天,饱和需37天。PCA分数图像表明:
正离子PCA(PC1)区分了铁素体(暗区)和奥氏体(亮区)。
负离子PCA(PC1)显示氘主要富集在铁素体相,扩散系数高出约5个数量级。
在m/z 20–50范围,PC2显示氘在奥氏体-铁素体界面和晶界处显著积累,与碳氮元素共存,表明这些界面作为陷阱。
此外,离子诱导二次电子图像确认了微结构细节。结果支持氘优先通过铁素体扩散的模型。
讨论与意义
该研究提供了对DSS中氘/氢运输的直接实验证据,揭示了铁素体作为主要扩散路径的作用,以及界面陷阱对氢积累的影响。这有助于阐明HAC机制,并为工业应用中的材料设计提供依据,如优化合金成分以减少氢脆风险。局限包括SIMS对氘的检测限导致突破时间低估,以及未考虑机械载荷的影响。未来可扩展到加载应力的in-situ实验。
该方法适用于其他金属微结构的氢行为研究,对氢能存储和腐蚀防护领域具有潜在价值。
(参考:Scientific Reports 6, 19929 (2016))
扩展阅读
基本工作原理
一次离子轰击:使用高能脉冲一次离子束(如Bi⁺、Au⁺或Ga⁺,典型能量20–30 keV)轰击样品表面。 二次离子溅射:碰撞导致表面原子/分子被溅射,其中少部分被电离形成二次离子(正或负)。 飞行时间分离:二次离子被加速进入无场漂移管,根据质量/电荷比(m/z)和初始动能的不同,轻离子飞行更快,从而实现分离。 检测:离子到达微通道板(MCP)或类似检测器,记录到达时间,转换为质量谱。
仪器关键组件
一次离子源:通常为液态金属离子枪(LMIG,如Bi⁺),提供高亮度、脉冲束。脉冲宽度通常<1 ns,以保证高质量分辨。 提取透镜:收集并加速二次离子进入漂移区。 漂移管:长度约1–2 m,无电场区,轻重离子时间差被放大。 反射器:能量聚焦,提高质量分辨率(m/Δm可达5000–10000)。 检测器:微通道板+延迟线检测器,实现位置敏感检测(成像模式)。
在DSS中氘实时成像的应用细节
仪器:ION-TOF ToF-SIMS IV,使用25 keV Bi⁺一次离子束。 分析模式:Burst Alignment模式,横向分辨率约250 nm。 信息深度:仅前1–2个单层。 充电设置:DSS自制渗透电池(膜厚0.5 mm),内侧电化学充电(0.05 M D₂SO₄ + 0.01 M NaAsO₂,10 mA/cm²),外侧暴露真空。 数据处理:主成分分析(PCA)结合正/负离子数据,显著提升相区分(铁素体/奥氏体)和氘分布对比。 关键参数:充电28天首次检测到氘,37天饱和。
技术优势与局限
优势:
极高表面灵敏度(ppb级甚至更低)。 全质量谱采集(m/z 0–数千),可同时检测元素、分子碎片、同位素。 成像能力强,结合PCA等多变量分析可揭示复杂微结构。 适用于氢/氘等轻元素(传统质谱难处理)。
局限:
二次离子产率低(尤其是氢/氘,~10⁻⁴–10⁻⁶),导致长采集时间。 破坏性(虽静态模式最小化,但仍存在溅射)。 定量困难,受矩阵效应影响。 需要超高真空(<10⁻⁹ mbar)。
免责声明:本网站所转载的文字、图片与视频资料版权归原创作者所有,如果涉及侵权,请第一时间联系本网删除。
官方微信
《腐蚀与防护网电子期刊》征订启事
- 投稿联系:编辑部
- 电话:010-62316606
- 邮箱:fsfhzy666@163.com
- 腐蚀与防护网官方QQ群:140808414












