摘要
通过实验室模拟800 m深海环境及浅海环境,采用动电位极化法、慢应变速率拉伸实验 (SSRT) 并结合扫描电镜 (SEM) 观察断口显微组织研究1000 MPa级高强钢的氢脆敏感性。结果表明,在模拟800 m深海环境中高强钢试样的零电流电位为-708 mV,析氢电位约为-1000 mV;在浅海环境中的零电流电位为-645 mV,析氢电位约为-910 mV。随着阴极极化电位的负移,模拟800 m深海环境及浅海环境实验高强钢均表现出韧性降低、脆性增加、氢脆敏感性增强的现象。模拟800 m深海环境中,极化电位正于-900 mV时,其氢脆系数小于25%,处于安全区;极化电位为-1000 mV时,氢脆系数接近50%,处于脆断区。
关键词: 模拟深海环境; 高强钢; 氢脆; 阴极极化; 慢应变速率拉伸
近年来,发展海洋经济和海洋科技已经被我国提升到前所未有的战略高度,海岸工程、海洋开采、水下工程等战略性新兴海洋产业正在迅速兴起,在开展近海海洋工程建设的同时,设施也不断在向远海和深海拓展[1]。海洋环境对金属的腐蚀非常严重,而深海环境的光照、温度、压力、溶解氧、pH值、含盐量、海水流速及生物环境等因素与表层海水环境不同,因而具有其独特的环境特性[2-5]。高强钢作为大量应用于深海环境的仪器设备和海工装备的金属材料,为了减缓其在深海环境中的腐蚀,延长其使用寿命,需要对其进行腐蚀防护。海洋工程装备设施通常采用阴极保护的方法来进行防护[6,7]。而高强钢由于其自身的强度高、具有位错和夹杂等组织缺陷的特点,在阴极极化电位过负时容易发生阴极析氢从而导致氢脆的危险,因此在对其施加阴极保护时需要确定合理的保护电位范围,防止过保护而发生氢脆。
自美国海军发现高强钢在海洋环境下发生氢脆现象以来,人们开始关注高强钢的阴极析氢及氢脆问题。近年来,人们对浅海环境中管线钢和高强钢的氢脆敏感性进行了大量的研究[8-15],结果表明钢材自身的微观结构及施加的阴极保护电位对钢的抗氢脆性能有影响。随着对金属在深海环境中腐蚀研究的深入,有结果表明[16-19],随着阴极极化电位的负移,钢的脆性逐渐加强,最终进入氢脆危险区,因此需要设计合理的阴极保护电位对金属进行保护。目前,大多是对管线钢在深海的抗氢脆性能进行研究,对高强钢的研究相对较少。本文主要采用慢应变速率拉伸结合电化学方法等研究极化电位对1000 MPa级高强钢在模拟深海环境中氢脆敏感性的影响规律。
1 实验方法
1.1 实验材料
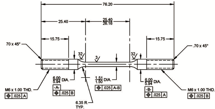
实验材料为1000 MPa级高强钢。拉伸试样的尺寸见图1。试样的标距段用砂纸从400#、800#、1000#、1200#、1500#依次逐级打磨至平滑,后用无水乙醇擦洗并烘干。电化学试样尺寸为10 mm×10 mm×10 mm,工作面积为1 cm×1 cm,背部用Cu导线引出,非工作表面用环氧树脂封闭。用400#、800#、1000#、1500#和2000#砂纸逐级打磨直到表面光亮无划痕,乙醇擦洗,冷风吹干后放在干燥器中备用。

图1 慢应变拉伸试样形状及尺寸
1.2 电化学实验
测试体系为三电极体系,以1000 MPa级别高强钢为工作电极,Ag/AgCl/海水电极为参比电极,铂铌为辅助电极。青岛海域天然海水 (pH值约为8) 为电解质液,实验在环境因素交变模拟实验装置中进行。设置环境因素参数值:模拟深海环境时,静水压力为8 MPa,温度为5 ℃,用N2调节溶解氧含量为3 mg/L;模拟浅海环境时,采用常温常压的天然海水。开路电位 (OCP) 稳定后,利用AMETEK XM电化学工作站对试样进行动电位极化曲线测试,分别测得单根阳极和阴极极化曲线,电位扫描范围分别为OCP~-600 mV和OCP~-1100 mV,扫描速率为0.33 mV/s。本文中如无特殊标注,电位均指相对于Ag/AgCl/海水的。
1.3 慢应变速率拉伸实验
实验在高压釜系统试验机中进行,在模拟深海环境和浅海环境不同极化电位下进行慢应变速率拉伸实验。模拟深海环境时,设定高压釜内海水压力为8 MPa,温度为5 ℃,溶解氧浓度为3 mg/L;模拟浅海环境时,采用常温常压天然海水。设置应变速率为10-6 s-1,即拉伸速率为0.0015 mm/min。实验过程中用三电极体系和电化学工作站施加极化电位。实验结束后,采用超声波清洗断裂试样,在HIROX三维视频显微镜 (KH-3000V) 和扫描电子显微镜 (SEM,FEI/Philips XL30) 下观察断口形貌和测量断面最小面积。试样断面收缩率的计算公式如下:
![]()
式中,Ψ为断面收缩率;A0为试样的原始横截面积;A为试样在相应腐蚀环境中断后的横截面积。
工程上通常通过测量试样的断面收缩率,并与惰性介质 (空气) 下的断面收缩率对比,按下式计算氢脆系数:
![]()
式中,FH为氢脆系数;ψ0为材料在惰性介质 (空气) 中的断面收缩率;ψ为试样在相应腐蚀环境中的断面收缩率。
2 结果与讨论
2.1 电化学测试结果
图2为实验高强钢在浅海环境和模拟800 m深海环境中的动电位极化曲线。可知,实验高强钢在浅海环境和模拟800 m深海环境中的零电流电位分别为-645和-708 mV。极化曲线的阴极段有明显的两个拐点,第一处拐点标志着阴极反应从O的活化极化控制转化为O的浓差扩散控制;第二个拐点为氧浓差扩散控制向析氢活化控制转变,也即材料的析氢转变电位。处于该电位时,材料表面的阴极反应主要为氧去极化过程:
O2+2H2O+4e-=4OH- (3)

图2 实验高强钢在模拟浅海及深海环境下的极化曲线
负于析氢转变电位时,阴极过程转变为H的去极化过程:
2H2O+2e-=H2+2OH- (4)
由图2可知,实验高强钢在浅海环境的析氢转变电位约在-910 mV,而在模拟800 m深海环境则负移至约-1000 mV,且材料在模拟深海环境下的析氢电流密度要低于浅海环境下的,这说明实验高强钢在模拟深海环境下的阴极析氢行为更不明显,这是由于深海低温高静水压力环境下高强钢材料的电极反应动力学过程受到抑制。
2.2 慢应变速率拉伸结果
实验高强钢在模拟深海环境和浅海环境中不同极化电位下的应力-应变曲线如图3所示。由图3a可见,在模拟深海环境下,不同曲线的弹性阶段区基本重叠,各试样的屈服强度差别不大,空气中试样的屈服强度和抗拉强度要略高于模拟深海环境中的。在模拟深海环境中不同极化电位下试样的断后伸长率均比在空气环境中的显著降低;且随着极化电位的负移,试样的断后伸长率逐渐减小。表明在动态拉伸过程中,随着试样发生变形,试样中的位错大量增殖、运动并携带氢原子在高强钢内部应力区聚集,氢原子会导致基体原子间的键合力降低;且随着施加的阴极电位越负,高强钢内部聚集的氢原子量越多,键合力降低越严重。极化电位在-800~-900 mV时,试样的断后伸长率要大于自腐蚀电位时的,表明该极化电位范围对腐蚀有一定的抑制作用且氢脆敏感性不高。由图3b可见,在浅海环境中试样的屈服强度和抗拉强度要略高于在模拟深海环境中的。随着极化电位的负移,试样的断后伸长率逐渐减小,这与在深海环境中表现出的规律相一致。

图3 实验高强钢在模拟深海和浅海环境中不同极化电位下的应力-应变曲线
图4为实验高强钢在模拟深海和浅海环境中的断面收缩率和氢脆系数与极化电位关系图。由图4a可见,在模拟深海环境中,极化电位正于-900 mV时,氢脆系数小于25%,试样处于安全区不会发生氢脆;极化电位为-950 mV时,氢脆系数处于25%~35%之间,试样处于危险区,存在发生氢脆的可能;极化电位为-1000 mV时,氢脆系数接近50%,试样处于脆断区。从图4b可知,在浅海环境中,极化电位正于-900 mV时,氢脆系数小于25%,试样处于安全区,不会发生氢脆;极化电位负于-950 mV时,氢脆系数超过50%,试样处于脆断区。根据图4拟合得到,当氢脆系数为25%时,在模拟深海环境中的极化电位约为-930 mV,在浅海环境中的极化电位约为-910 mV。由此可见,当极化电位负于-900 mV时,实验高强钢在模拟深海环境中的氢脆系数要低于在浅海环境中的,主要由于在模拟深海环境中高静水压力和低温的环境因素使得实验高强钢的析氢反应速率减慢。

图4 实验高强钢在模拟深海环境和浅海环境中的断面收缩率和氢脆系数与极化电位关系
2.3 断口形貌分析
2.3.1 宏观形貌
图5和6分别为不同环境条件下试样断裂后的宏观断口形貌。可见,施加的阴极电位对实验高强钢的塑性有一定的影响。图5a为在空气中,图5b和6a分别为在模拟深海和浅海环境中开路电位下试样断后侧面形貌,可观察到明显的颈缩现象,断口为杯锥形,表明在此实验条件下试样的韧性较好。随着施加阴极电位的不断负移,在模拟深海环境和浅海环境中试样断口的颈缩程度均不断降低,断口边缘部分撕裂现象均减少,表明在此条件下试样的韧性逐渐变差。当施加阴极电位为-1000 mV时,在模拟深海环境和浅海环境中试样断口与拉伸主轴间均呈现45°倾斜角,明显出现脆性断裂。

图5 实验高强钢在空气中以及在模拟深海环境中不同极化电位下试样断裂后宏观断口形貌
2.3.2 微观形貌
由图7实验高强钢在空气和模拟深海环境中不同电位下的断口SEM像可以得出,试样在空气和模拟深海环境中开路电位及-800 mV电位下断口有较多大小不等的韧窝组织 (图7a~c)。钢铁材料在外力的作用下,因强烈的滑移位错堆积,在变形大的区域会产生许多显微空洞,即韧窝。韧窝的深度主要受材料塑性变形能力的影响,材料的塑性变形能力越大,韧窝深度越大,反之韧窝深度小。在图7a~c中,断口的韧窝深度要比在其他电位下的大,表明试样在空气和模拟深海环境中开路电位及-800 mV极化电位下为塑性断裂。

图6 实验高强钢在浅海环境中断裂后的宏观断口形貌

图7 实验高强钢在空气中以及在深海环境中不同电位下断口的SEM像
随着极化电位的负移,试样断口表面韧窝数量逐渐减少,韧窝深度也逐渐减小,并伴随着二次裂纹的增加和河流状花样的出现 (图7d~g)。这表明,随着极化电位的负移,在模拟深海环境中试样具有更明显的脆性断裂倾向。有研究[20]已经证实,沿着贝氏体板条边界的氢的积累,最终可以引起这些界面的分离。钢中的流动氢可以快速定位在裂纹尖端前,并促进裂纹在拉伸应力下的扩展。施加的极化电位越负,产生的氢使贝氏体板条边界分离的数量越多,使氢陷阱位点超过阀值,断面出现更多的二次裂纹。当极化电位负移到-1000 mV时,试样断口出现了解理和沿晶等脆性断裂的微观形貌特征 (图7g),表明试样已经进入氢脆危险区和脆断区。
从图8中实验高强钢在浅海环境中不同电位下断口的SEM像可见,在浅海环境中试样断口形貌随极化电位的变化趋势与在模拟深海环境中的相似。当试样在开路电位和-800 mV极化电位下时,试样断口呈现较多的韧窝;随着极化电位的不断负移,试样断口的韧窝逐渐减少,出现河流状花样和撕裂棱,表明试样逐渐变为脆性断裂。将在模拟深海环境中与在浅海环境中相同极化电位下试样断口形貌进行对比可见,在开路电位和-800 mV下等较正电位下,在模拟深海环境中试样断口处的韧窝较在浅海环境中的数量多、深度大,表明在这些电位条件下在模拟深海环境中试样的韧性比在浅海环境中的好;在-900 mV极化电位下,在浅海环境中试样断口开始出现河流状花样,表明发生准解理断裂。当电位负移至-1000 mV时,试样断口出现明显的沿晶二次裂纹以及发纹和爪纹,为脆性断裂。

图8 实验高强钢在浅海环境中不同电位下断口的SEM像
3 结论
(1) 实验高强钢在模拟800 m的深海环境中,零电流电位为-708 mV,析氢电位约为-1000 mV;在浅海环境中的零电流电位为-645 mV,析氢电位约为-910 mV。
(2) 在模拟800 m深海环境和浅海环境中,随着阴极极化电位的负移,实验高强钢的氢脆敏感性增加,断口延伸率和断面收缩率逐渐降低,断口形貌逐渐由塑性断裂向脆性断裂转变。
(3) 在模拟800 m深海环境和浅海环境中,极化电位正于-900 mV时,高强钢的氢脆系数小于25%,试样处于安全区;极化电位负于-950 mV时,氢脆系数大于25%,试样处于危险区。当氢脆系数为25%时,在模拟深海环境中极化电位约为-930 mV,在浅海环境中极化电位约为-910 mV。这主要是由于在模拟深海环境中高静水压力和低温等环境因素影响了实验高强钢的析氢反应过程。
免责声明:本网站所转载的文字、图片与视频资料版权归原创作者所有,如果涉及侵权,请第一时间联系本网删除。
官方微信
《中国腐蚀与防护网电子期刊》征订启事
- 投稿联系:编辑部
- 电话:010-62316606-806
- 邮箱:fsfhzy666@163.com
- 中国腐蚀与防护网官方QQ群:140808414



