奇迹材料石墨烯“发声”的开创性新技术可能会彻底改变全球音频和电信行业。你能找到的几乎每款扬声器里,都有一层膜用于机械震动,通过震动空气产生声波。但英国埃克塞特大学的研究人员竟然研发出一款扬声器,不需要靠振动发出声音。此项颇具开创性技术的关键,就是石墨烯,通过细微调整过的电流加热或冷却这种材质,就可以制造声波。此项研究的论文发表于期刊《Scientific Reports》。

该新型扬声器可以将扬声器,放大器和均衡器混合在一起,所有这些器件被集成在只有毫米尺寸的设备内
奇迹材料石墨烯“发声”的开创性新技术可能会彻底改变全球音频和电信行业。你能找到的几乎每款扬声器里,都有一层膜用于机械震动,通过震动空气产生声波。但英国埃克塞特大学的研究人员竟然研发出一款扬声器,不需要靠振动发出声音。此项颇具开创性技术的关键,就是石墨烯,通过细微调整过的电流加热或冷却这种材质,就可以制造声波。
石墨烯又轻又薄,却极其强韧,几年前就有人想到用它来造扬声器了,但通常都是用石墨烯制作上文提到的那层膜。因为石墨烯很轻,所以用很小的能量就能产生振动,因此扬声器可以变得又小又节能。
埃克塞特大学的研究人员设计了一种开创性的方法来使用石墨烯来产生复杂和可控的声音信号。实质上,它将扬声器,放大器和均衡器组合成为一个只有指甲盖大小的芯片。

传统的扬声器利用运动的线圈或膜片来回驱动空气,空气的机械振动产生声音,这是一项非常成熟的技术,在一个多世纪以来几乎没有颠覆性的改变。而这种创新的新技术将不再有需要机械振动的部件,核心部件是只有一个原子厚度的材料石墨烯薄膜,由于输入电流的大小,石墨烯薄膜被快速加热和冷却产生了膨胀和收缩,引起周围空气振动从而产生声波。
那无需机械震动的扬声器音质怎么样呢?研发团队称,通过仔细调节电流穿过石墨烯的强度和位置,可以制造多种多样的声波。这种加热、冷却的循环往复,能让扬声器同时混合、放大、均衡多种声波,输出的声波甚至能超出人类听觉响应范围,应用于超声领域。
而这就是热量转化为声能的能量转化,这在科学界并不是新鲜事。不过,埃克塞特大学的研究团队却是第一个在热-声转化过程中实现不同频率声波的叠加、放大以及均衡。更加难得的是,所有的这一切都发生在这样一个指甲盖大小的芯片里。石墨烯几乎完全透明,无需身体运动就能产生复杂的声音,可以开创新一代视听技术,我们可以甚至展望可以传输图像同时发出声音的手机屏幕。
此项研究的第一作者David Horsell认为,过去人们不够重视热声学,因为不知道它有什么实际用途,他们的团队则将关注点放在了声音产生的过程上。他们发现通过控制穿过石墨烯的电流,不仅能制造声音,还能调节音量大小,并精确控制频率。这种精确的控制为研究人员开启了新大门,发现了诸多我们未曾设想过的应用途径。
该团队正在研究将该项技术应用于超声成像,能用于医院以及其他医疗机构。对于新技术的应用,霍西尔博士表示:“其实发出声音是一部分,而将不同频率的声波混合在一起是更加关键的一步。对于高效地产生超声波或者次声波也是很重要的。
石墨烯由于具备高强度和柔韧性,可以与被成像体表面充分接触从而实现更好的成像效果。此外,该团队设计的声学设备低成本而且非常简单,使得未来可以直接监视和治疗病人的智能绷带这样的概念产品具有真正实现的可能。
霍斯尔博士补充说:”混频是新应用的关键,声发生机制使我们可以采用两种或更多种不同的声源,并将它们叠加,从而有效地产生超声波(和次声波),但最令人兴奋的是,这是一个非常简单和可控制的技术,这可能对电信行业产生真正的影响,电信行业需要以这种方式组合信号,但目前使用的方式相当复杂而昂贵。
石墨烯扬声器研究进展:
之前有很多相关研究已经证明,基于石墨烯的热声扬声器是可行的,但是Exeter研究人员首先在毫米级的设备上嵌入这样的扬声器、放大器和、均衡器。
使用石墨烯驱动扬声器膜是一个有趣的研究领域。 最早的报告是2011年,韩国的研究人员开发了一个由石墨烯制成的透明扬声器。 2013年,研究人员展示了一款基于石墨烯的扬声器,可以超越最好的商用耳机。
最近几家公司发布了石墨烯增强型耳机。 例如,小米的活塞3 Pro耳机就像使用菲利浦电子F3一样使用石墨烯膜。
以色列音频先驱Waves Audio正在使用基于石墨烯的纳米级活性膜开发创新的静电扬声器。 石墨烯增强型音频设备开发公司ORA是加拿大的早期创业公司,最近公布了其石墨烯氧化物复合材料,被称为石墨烯Q。
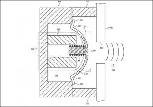
昨天也就是2017年5月7日,苹果公司一项关于石墨烯扬声器的准备被授予。 Apple的专利(2015年提交并于2017年初授予)详细介绍了使用由石墨烯增强复合材料制成的隔膜的音频设备。 苹果的石墨烯膜可用于扬声器,麦克风或耳机设备,该专利具体包括iPhone设备的图像作为示例应用。

苹果解释说,随着设备变得越来越小,使用常规材料提供高质量音频越来越具有挑战性,石墨烯可以改善音频设备的机械响应。 此外,在某些情况下,使用石墨烯或石墨烯薄片材料可以减少或消除额外的外部阻尼的需要。
这里的主要发明似乎是膜本身由两种类型的材料制成,这两种材料与所使用的石墨烯薄片的量不同,因此硬度不同。 膜的第一部分是固定的,而第二部分是灵敏的,用于检测或产生声音。
更多关于材料方面、材料腐蚀控制、材料科普等方面的国内外最新动态,我们网站会不断更新。希望大家一直关注中国腐蚀与防护网http://www.ecorr.org
责任编辑:庞雪洁
投稿联系:编辑部
电话:010-62313558-806
中国腐蚀与防护网官方 QQ群:140808414
免责声明:本网站所转载的文字、图片与视频资料版权归原创作者所有,如果涉及侵权,请第一时间联系本网删除。
相关文章
官方微信
《中国腐蚀与防护网电子期刊》征订启事
- 投稿联系:编辑部
- 电话:010-62316606-806
- 邮箱:fsfhzy666@163.com
- 中国腐蚀与防护网官方QQ群:140808414
点击排行
PPT新闻
“海洋金属”——钛合金在舰船的
点击数:8125
腐蚀与“海上丝绸之路”
点击数:6461



